



Vòi cảm ứng tự động TOTO TLE25008V là giải pháp vệ sinh thông minh, giúp nâng tầm đẳng cấp không gian phòng tắm nhờ công nghệ cảm biến không chạm hiện đại và an toàn. Với thiết kế sang trọng cùng khả năng tiết kiệm tài nguyên vượt trội, sản phẩm là lựa chọn hàng đầu cho các công trình cao cấp đòi hỏi tính thẩm mỹ và độ bền cao.

Vòi cảm ứng tự động TOTO TLE25008V

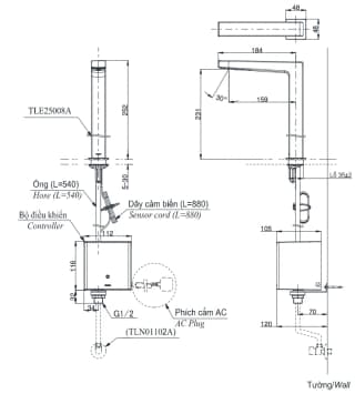
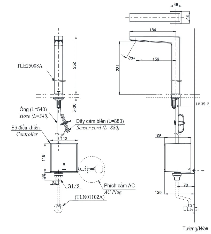
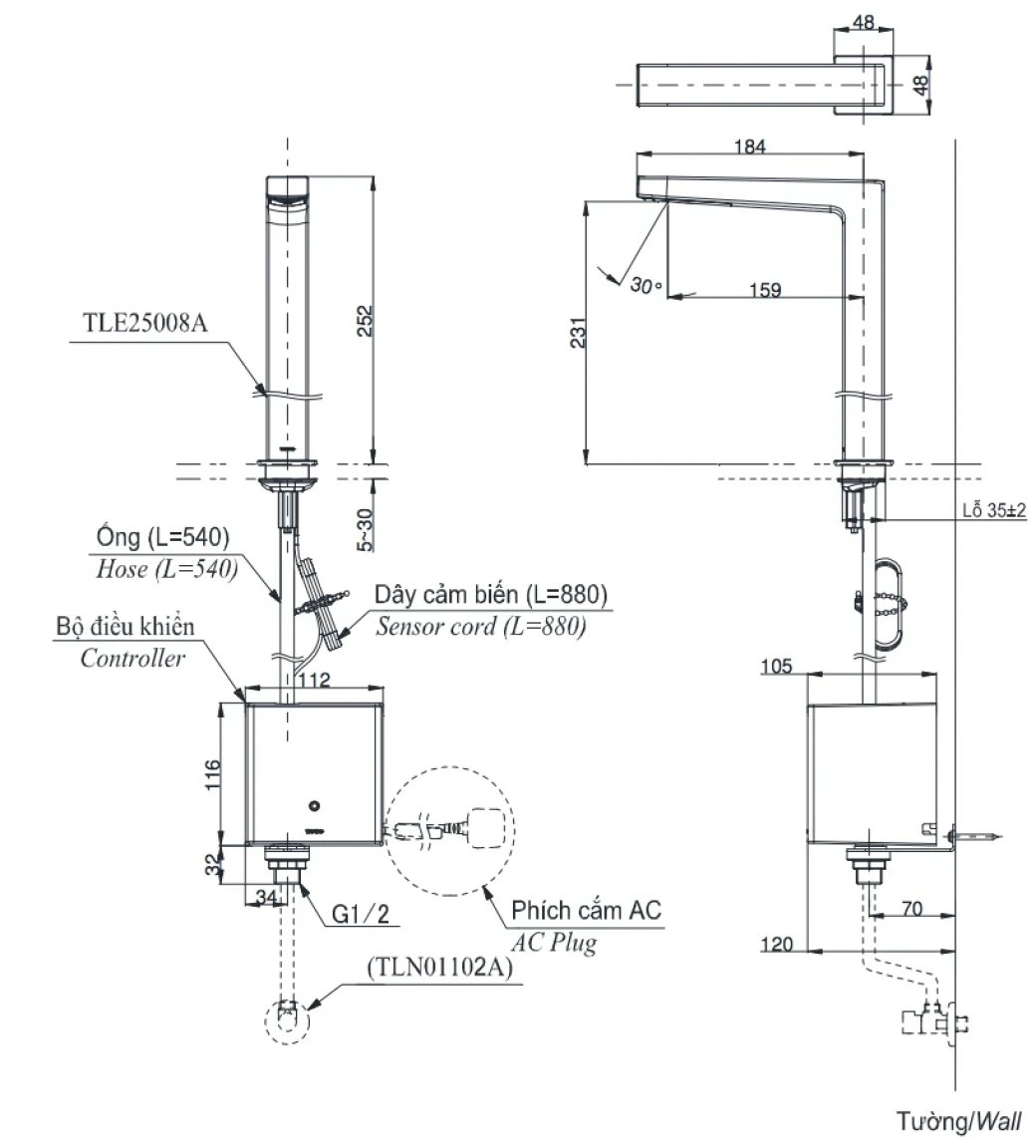
Bản vẽ kỹ thuật vòi cảm ứng tự động TOTO TLE25008V
Cảm ứng không chạm bảo vệ sức khỏe: Việc sử dụng vòi cảm ứng tự động TOTO TLE25008V giúp người dùng tránh tiếp xúc trực tiếp với thiết bị, từ đó ngăn ngừa lây nhiễm chéo vi khuẩn và giữ cho khu vực rửa tay luôn sạch sẽ.

Ưu điểm của vòi cảm ứng tự động TOTO TLE25008V
Công nghệ SELF POWER tự tạo năng lượng: Nguồn điện của vòi cảm ứng tự động TOTO TLE25008V được tái tạo trực tiếp từ dòng chảy của nước. Từ đó giúp thiết bị vận hành bền bỉ, độc lập mà không cần phụ thuộc vào nguồn điện bên ngoài.
Tiết kiệm nước tối ưu với ECO CAP: Nhờ đầu vòi ECO CAP tích hợp bọt khí, vòi cảm ứng tạo ra áp lực dòng chảy mạnh mẽ, êm ái nhưng vẫn giảm thiểu đáng kể lượng nước tiêu thụ hàng ngày.
Thiết kế hiện đại và bền bỉ: Vòi cảm ứng tự động TOTO TLE25008V sở hữu kiểu dáng tinh tế cùng lớp mạ Chrome sáng bóng, có khả năng chống ăn mòn cực tốt và dễ dàng vệ sinh trong môi trường ẩm ướt.

Thiết kế hiện đại và bền bỉ của sản phẩm
Cảm biến thông minh độ chính xác cao: Mắt cảm ứng được đặt ngay dưới đầu vòi giúp nhận diện người dùng nhanh chóng, đảm bảo kích hoạt nước chính xác và tránh lãng phí.
Để sở hữu vòi cảm ứng tự động TOTO TLE25008V chính hãng với mức giá ưu đãi, quý khách hàng hãy liên hệ ngay với hệ thống Showroom Hải Linh để được hỗ trợ tận tình.