



Vòi cảm ứng tự động TOTO TLE25007V là giải pháp vệ sinh hiện đại, giúp nâng tầm không gian phòng tắm với thiết kế thân cao sang trọng và đẳng cấp. Sản phẩm tích hợp công nghệ cảm biến thông minh, mang lại trải nghiệm sử dụng tiện nghi và khả năng tiết kiệm nước tối ưu cho người dùng.

Vòi cảm ứng tự động TOTO TLE25007V

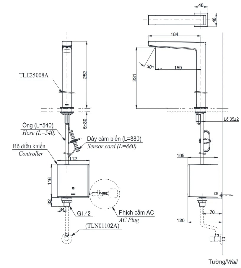
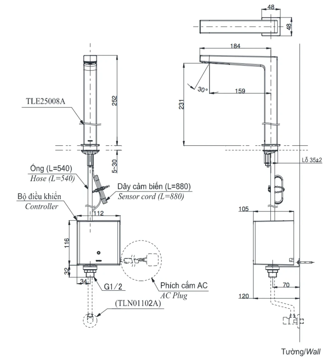
Bản vẽ kỹ thuật vòi cảm ứng tự động TOTO TLE25007V
Vệ sinh an toàn: Vòi cảm ứng tự động TOTO TLE25007V sở hữu tính năng không chạm thông minh, giúp ngăn ngừa lây nhiễm chéo vi khuẩn và đảm bảo vệ sinh cho đôi tay.
Cảm biến chính xác: Mắt cảm biến của vòi cảm ứng được đặt ngay dưới đầu vòi, giúp nhận diện chuyển động nhanh chóng và nhạy bén hơn trong mọi điều kiện ánh sáng.
Nguồn điện tự cung cấp: Nhờ công nghệ SELF POWER, vòi cảm ứng tự động TOTO TLE25007V có khả năng tự tạo nguồn điện từ dòng chảy, giúp thiết bị vận hành bền bỉ và tiết kiệm điện năng hiệu quả.

Ưu điểm của vòi cảm ứng tự động TOTO TLE25007V
Tiết kiệm nước thông minh: Công nghệ ECO CAP ứng dụng trên vòi cảm ứng TOTO TLE25007V giúp tạo bọt khí vào dòng nước, duy trì lưu lượng 2L/phút, giúp tiết kiệm nước mà vẫn tạo cảm giác dễ chịu khi sử dụng.
Độ bền và thẩm mỹ: Với lớp mạ Chrome bóng cao cấp, vòi cảm ứng tự động TOTO TLE25007V không chỉ chống ăn mòn hiệu quả mà còn giữ được vẻ sáng bóng sang trọng theo thời gian.

Lớp mạ Chrome bóng cao cấp, sáng bóng
Lưu ý lắp đặt: Để vòi cảm ứng tự động TOTO TLE25007V hoạt động hoàn hảo, bạn cần kết hợp đồng bộ với các mã phụ kiện như bộ điều khiển TLE01502A1 và van dừng tương ứng theo khuyến cáo từ nhà sản xuất.
Để sở hữu vòi cảm ứng tự động TOTO TLE25007V chính hãng với mức giá ưu đãi và chế độ bảo hành tốt nhất, quý khách hãy liên hệ ngay với hệ thống Showroom Hải Linh để được hỗ trợ tận tình.