

Chậu rửa dương bàn COTTO CPW0501 MTP sở hữu thiết kế đặt bàn sang trọng cùng công nghệ men sứ tiên tiến, giúp biến không gian phòng tắm thành spa cao cấp đầy tinh tế. Đây là dòng thiết bị vệ sinh uy tín từ Thái Lan, kết hợp hoàn hảo giữa thẩm mỹ bậc nhất và công năng sử dụng vượt trội cho người dùng.

Chậu rửa dương bàn COTTO CPW0501 MTP

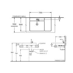
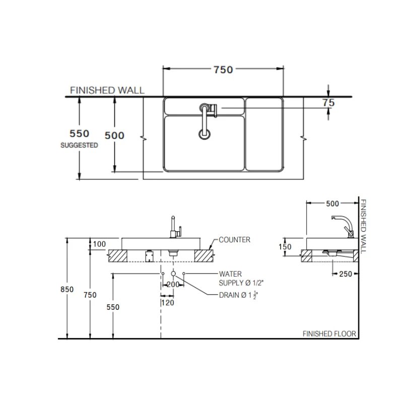
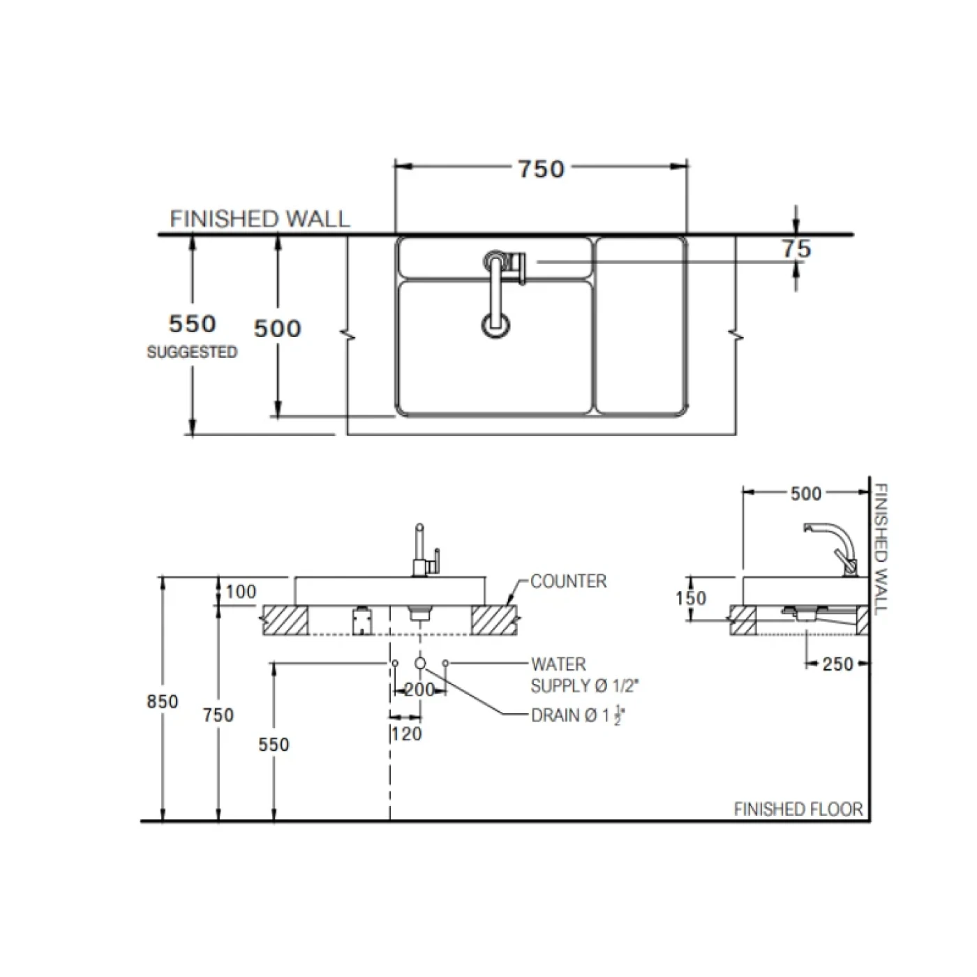
Bản vẽ kỹ thuật Chậu rửa dương bàn COTTO CPW0501 MTP
Thiết kế sang trọng và thời thượng: Cấu tạo đặt nổi hoàn toàn trên mặt bàn giúp chậu rửa dương bàn COTTO CPW0501 MTP tôn lên vẻ đẹp tinh tế của chất liệu sứ và tạo điểm nhấn kiến trúc mạnh mẽ cho phòng tắm. Sản phẩm đặc biệt phù hợp với các không gian nội thất hiện đại, tối giản hoặc tân cổ điển nhờ đường nét thiết kế thanh thoát và đẳng cấp.
Sắc nâu nhạt (Timeless Taupe) thượng lưu: Tông màu nâu xám trung tính của mẫu chậu rửa dương bàn COTTO CPW0501 MTP không chỉ tạo cảm giác ấm cúng mà còn khẳng định gu thẩm mỹ khác biệt của gia chủ. Màu sắc độc bản này giúp sản phẩm dễ dàng phối hợp hài hòa với nhiều phong cách kiến trúc khác nhau từ sang trọng đến thanh lịch.
Lòng chậu sâu và hạn chế bắn nước: Thiết kế lòng chậu được tối ưu về độ sâu và độ thoải giúp giữ nước tốt, mang lại sự tiện nghi tối đa trong quá trình sử dụng hàng ngày. Nhờ vậy, người dùng có thể hoàn toàn yên tâm vì tình trạng nước bắn ra ngoài bàn đá được hạn chế triệt để, giữ cho không gian luôn khô thoáng.
Mẫu mã đa dạng và linh hoạt: COTTO mang đến nhiều tùy chọn kích thước và hình dáng từ tròn mềm mại đến vuông vức cá tính để đáp ứng mọi nhu cầu lắp đặt thực tế. Sự linh hoạt này giúp dòng sản phẩm phù hợp hoàn hảo với cả những phòng tắm rộng rãi lẫn những không gian có diện tích khiêm tốn.
Hãy liên hệ ngay với Showroom Hải Linh để được tư vấn chi tiết và sở hữu chậu rửa dương bàn COTTO CPW0501 MTP chính hãng với mức giá ưu đãi cho không gian phòng tắm của bạn.