

Chậu rửa dương bàn COTTO CPW0500 MDG thuộc dòng Quil cao cấp sở hữu kích thước lớn, là lựa chọn hoàn hảo để kiến tạo vẻ đẹp sang trọng và đẳng cấp cho phòng tắm. Với bề mặt men sứ màu xám mờ (Matte Grey) độc đáo, sản phẩm vừa mang đậm phong cách kiến trúc đương đại, vừa khẳng định gu thẩm mỹ tinh tế của gia chủ.

Chậu rửa dương bàn COTTO CPW0500 MDG

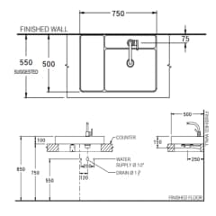
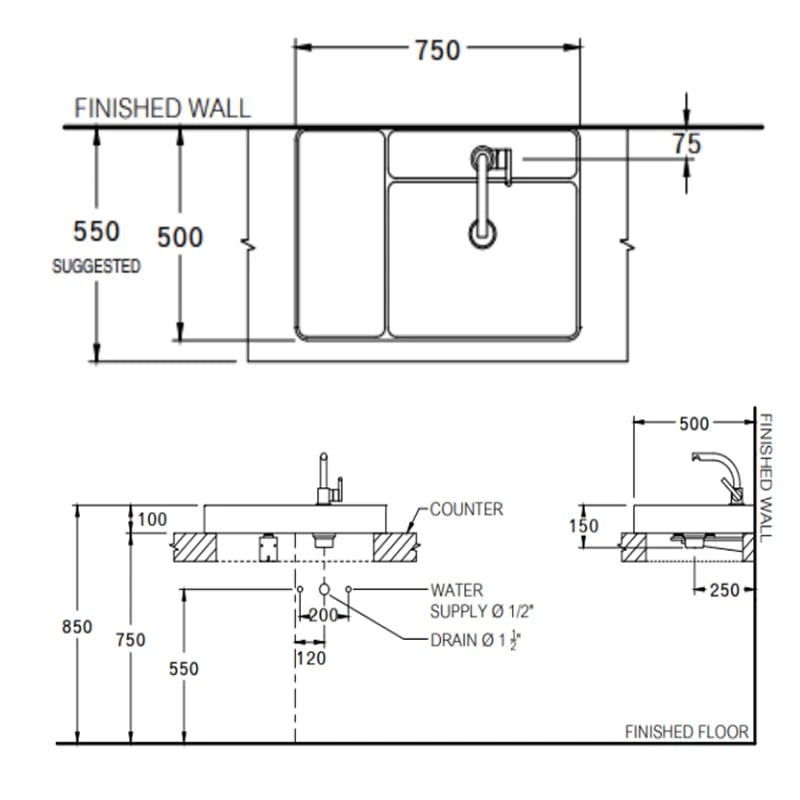
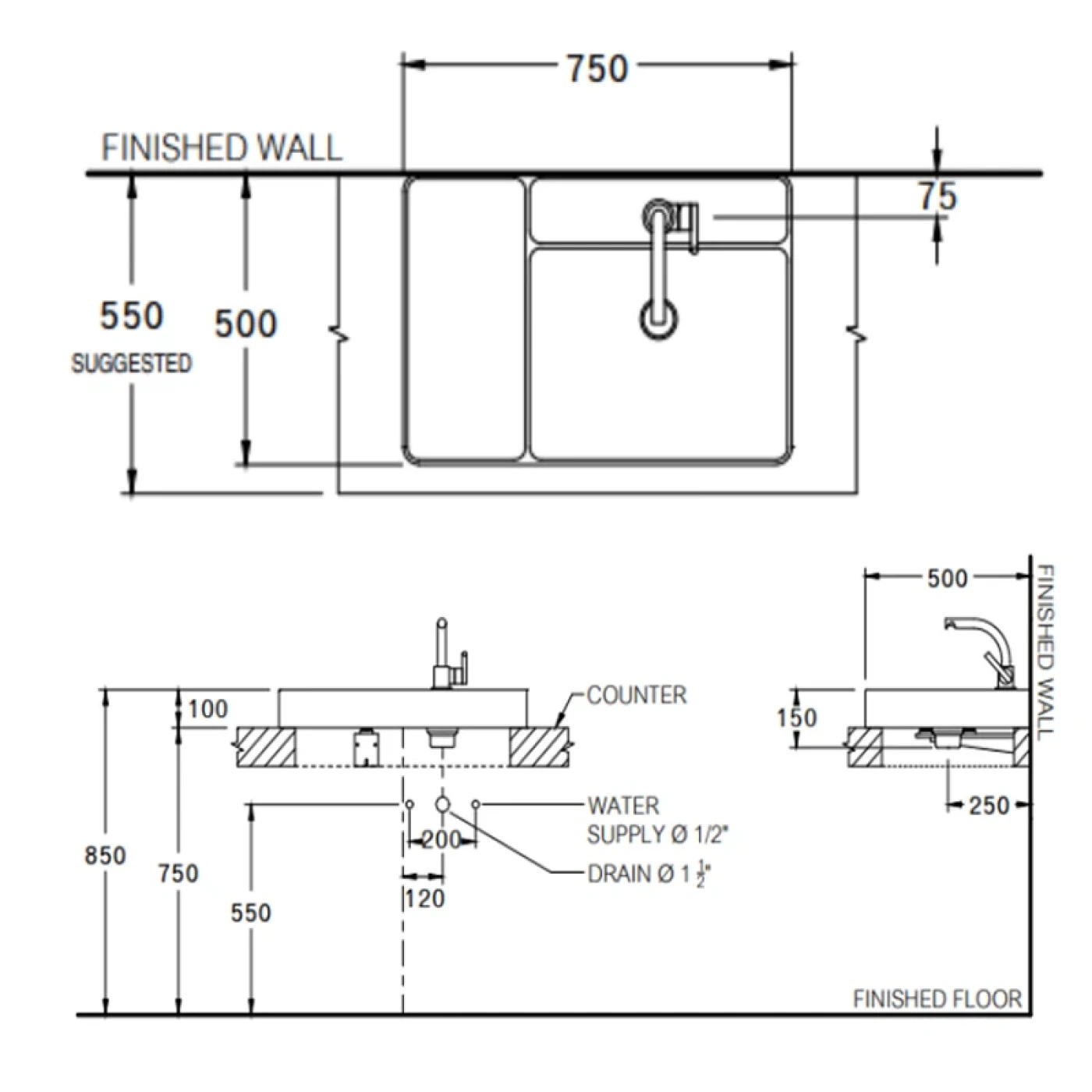
Bản vẽ kỹ thuật Chậu rửa dương bàn COTTO CPW0500 MDG
Thiết kế tinh tế với cạnh viền sắc nét: Sản phẩm sở hữu kiểu dáng hình chữ nhật tối giản kết hợp cùng các cạnh viền mỏng nhẹ, mang lại vẻ đẹp thanh thoát nhưng vẫn đảm bảo kết cấu chắc chắn. Với kích thước lòng chậu rộng rãi, COTTO CPW0500 MDG tạo sự thoải mái tối đa và hạn chế hiệu quả tình trạng bắn nước ra không gian xung quanh khi sử dụng.
Tiện ích tích hợp không gian phẳng: Điểm khác biệt độc đáo của mẫu chậu này là phần diện tích phẳng được thiết kế liền khối bên cạnh lòng chậu, tạo thêm nơi lưu trữ đồ dùng cá nhân tiện lợi. Nhờ đó, người dùng có thể sắp xếp nước hoa, xà phòng hay đồ trang trí một cách gọn gàng ngay trên mặt chậu rửa dương bàn COTTO CPW0500 MDG mà không cần lắp thêm kệ phụ.
Chất liệu sứ và bề mặt men xám mờ đẳng cấp: Lớp men màu xám mờ không chỉ mang đến diện mạo sang trọng mà còn sở hữu khả năng kháng khuẩn và chống bám bẩn vượt trội cho sản phẩm. Bề mặt mịn màng của chậu rửa COTTO CPW0500 MDG giúp việc vệ sinh trở nên dễ dàng, đồng thời duy trì độ bền màu và tính thẩm mỹ sau thời gian dài sử dụng.
Hãy ghé thăm ngay hệ thống Showroom Hải Linh để trực tiếp trải nghiệm và sở hữu chậu rửa dương bàn COTTO CPW0500 MDG chính hãng với giá ưu đãi cùng chính sách bảo hành dài hạn!