

Chậu rửa dương bàn Cotto C02507 thuộc bộ sưu tập Dazzle là mẫu lavabo đặt nổi trên bàn đá được nhiều gia đình và công trình hiện đại lựa chọn. Cotto C02507 nhập khẩu chính hãng từ Thái Lan, nổi bật với kiểu dáng tròn thanh gọn, dễ kết hợp với nhiều phong cách nội thất phòng tắm. Thiết kế đặt bàn giúp tối ưu diện tích sử dụng, đồng thời tạo điểm nhấn tinh tế và gọn gàng cho khu vực lavabo.

Chậu rửa Cotto C02507

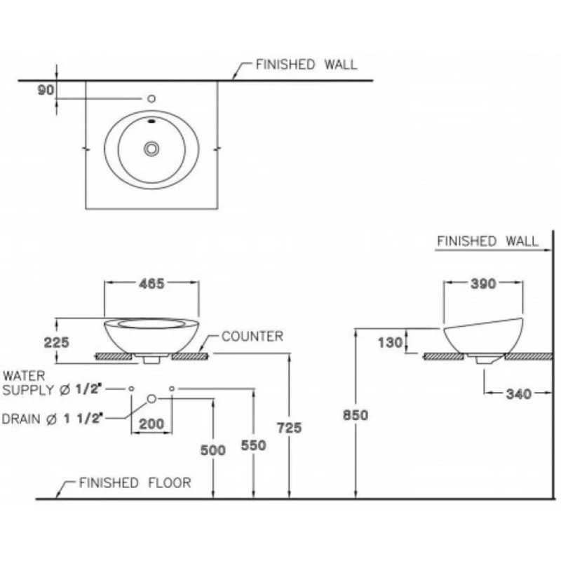
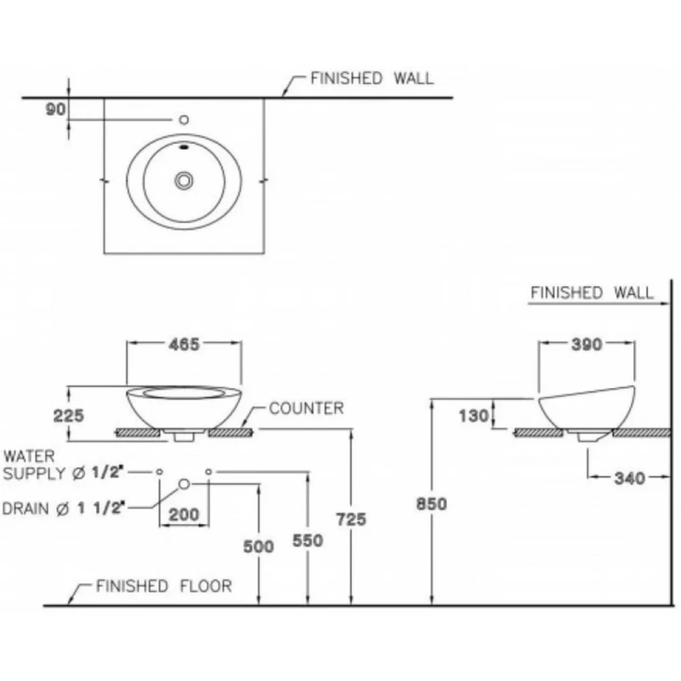
Bản vẽ kỹ thuật Chậu rửa Cotto C02507
Công nghệ Hygienic Easy Clean: Lớp men nano tạo bề mặt sứ siêu mịn, hạn chế vi khuẩn và cặn bẩn bám lại. Nhờ đó việc lau rửa hằng ngày trở nên nhanh gọn và tiết kiệm thời gian. Công nghệ này giúp chậu rửa dương bàn Cotto C02507 luôn giữ được vẻ sạch sẽ và sáng bóng lâu dài.
Chất liệu sứ Ceramic cao cấp: Chậu được sản xuất từ sứ Ceramic nung ở nhiệt độ tiêu chuẩn, cho độ cứng và độ bền ổn định. Bề mặt sứ chống trầy xước tốt, ít bị ảnh hưởng trong quá trình sử dụng. Nhờ vậy Cotto C02507 giữ được màu trắng sáng và độ bền theo thời gian.
Thiết kế Dazzle Series tinh gọn: Kiểu dáng oval bo tròn mềm mại tạo cảm giác hài hòa cho khu vực lavabo. Lòng chậu được thiết kế sâu giúp hạn chế nước văng ra ngoài khi sử dụng. Thiết kế này giúp chậu rửa dương bàn Cotto C02507 phù hợp với nhiều phong cách phòng tắm hiện đại.
Lỗ gắn vòi độc lập trên bàn đá: Chậu không tích hợp lỗ vòi trên thân sứ, tạo sự linh hoạt khi lắp đặt. Người dùng có thể kết hợp với vòi lavabo đặt bàn cao để đồng bộ với mặt đá. Cách bố trí này giúp chậu rửa dương bàn Cotto C02507 mang lại tổng thể gọn gàng và thẩm mỹ hơn cho không gian phòng tắm.
Với kiểu dáng đơn giản, bền đẹp và dễ lắp đặt, chậu rửa dương bàn Cotto C02507 phù hợp cho nhiều không gian phòng tắm hiện đại. Quý khách có thể tham khảo sản phẩm trực tiếp tại showroom Hải Linh để được tư vấn chi tiết và lựa chọn phù hợp.