

Chậu rửa dương bàn COTTO CPW0501 MDG là giải pháp hoàn hảo để biến phòng tắm thành không gian spa cao cấp nhờ thiết kế đặt nổi trên bàn đá sang trọng và công nghệ men sứ tiên tiến từ Thái Lan. Sản phẩm không chỉ mang lại thẩm mỹ tinh tế mà còn đảm bảo trải nghiệm tiện nghi, bền bỉ vượt trội cho mọi công trình hiện đại...

Chậu rửa đặt bàn COTTO CPW0501 MDG

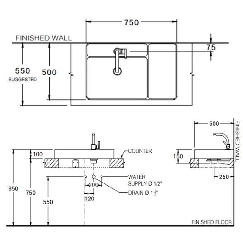
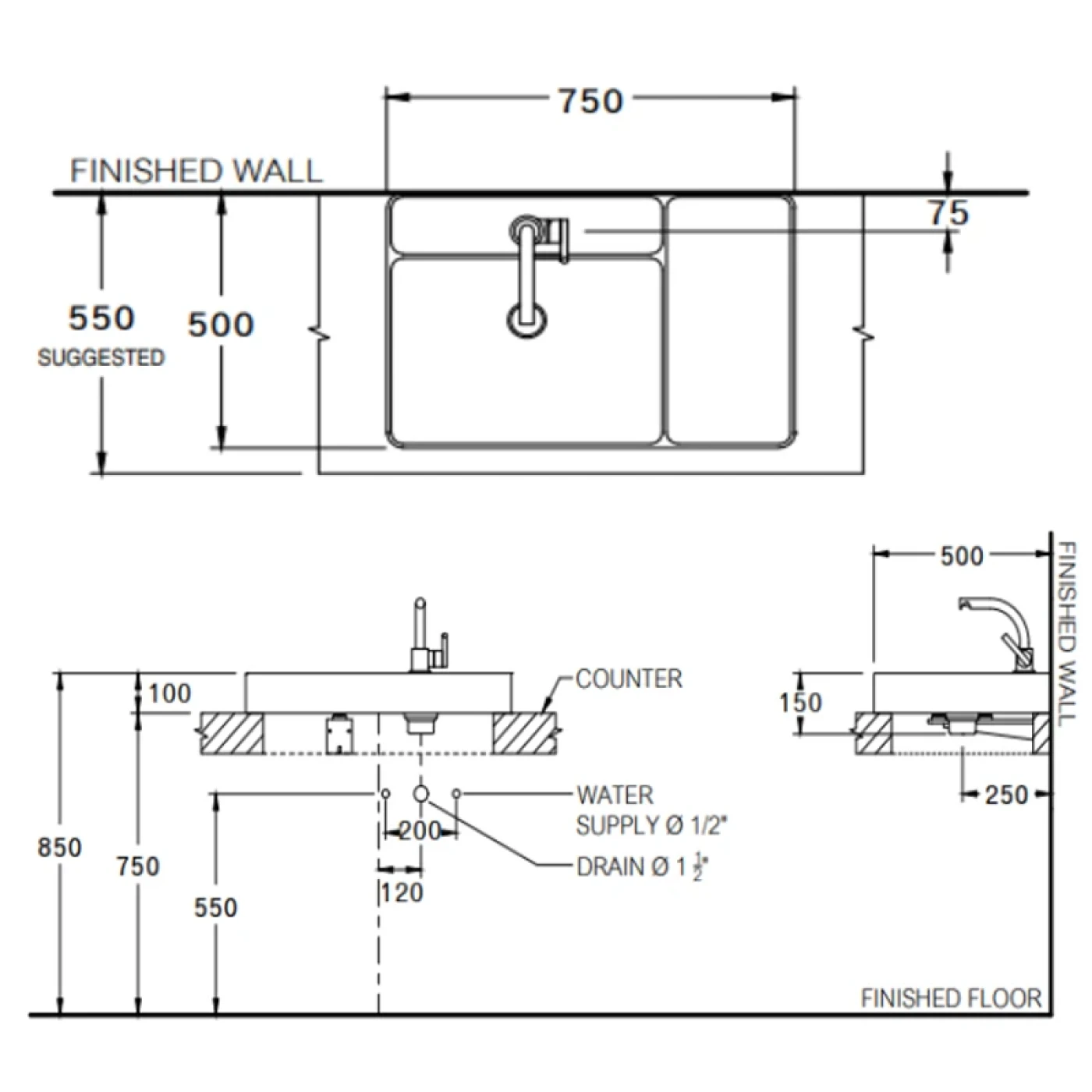
Bản vẽ kỹ thuật Chậu rửa CPW0501 MDG
Thiết kế sang trọng và thời thượng: Cấu tạo đặt nổi hoàn toàn trên mặt bàn giúp chậu rửa dương bàn COTTO CPW0501 MDG thể hiện được hết vẻ đẹp tinh xảo của chất liệu sứ và tạo điểm nhấn kiến trúc mạnh mẽ cho không gian. Sản phẩm là lựa chọn lý tưởng cho các phong cách nội thất từ hiện đại, tối giản đến tân cổ điển nhờ đường nét thanh thoát và đẳng cấp.
Sắc xám mây (Nimbus Grey) độc bản: Tông màu xám trung tính của chậu rửa dương bàn COTTO CPW0501 MDG mang lại vẻ đẹp thời thượng, giúp che đi các vết bẩn nhẹ và duy trì sự sạch sẽ cho phòng tắm. Sắc thái này dễ dàng hòa quyện hoàn hảo với các vật liệu tự nhiên như đá hoặc gỗ, khẳng định gu thẩm mỹ tinh tế của gia chủ.
Lòng chậu sâu hạn chế bắn nước: Thiết kế lòng chậu được tính toán kỹ lưỡng về độ sâu và độ thoải nhằm tối ưu khả năng giữ nước trong quá trình vệ sinh hàng ngày. Nhờ ưu điểm này, nước được kiểm soát tốt bên trong lòng chậu và hạn chế tối đa tình trạng bắn nước ra mặt bàn đá xung quanh.
Hãy liên hệ ngay với Showroom Hải Linh để sở hữu chậu rửa dương bàn COTTO CPW0501 MDG chính hãng với mức giá ưu đãi và nâng tầm đẳng cấp cho không gian sống của bạn.