



Vòi chậu gắn tường TOTO TLS02308B gây ấn tượng với thiết kế vòi dài hiện đại, mang đến giải pháp tiết kiệm không gian và vẻ đẹp sang trọng cho phòng tắm cao cấp. Với chất lượng vượt trội từ thương hiệu Nhật Bản, sản phẩm không chỉ nâng tầm kiến trúc mà còn đảm bảo sự tiện nghi cho người sử dụng.

Vòi chậu gắn tường TOTO TLS02308B

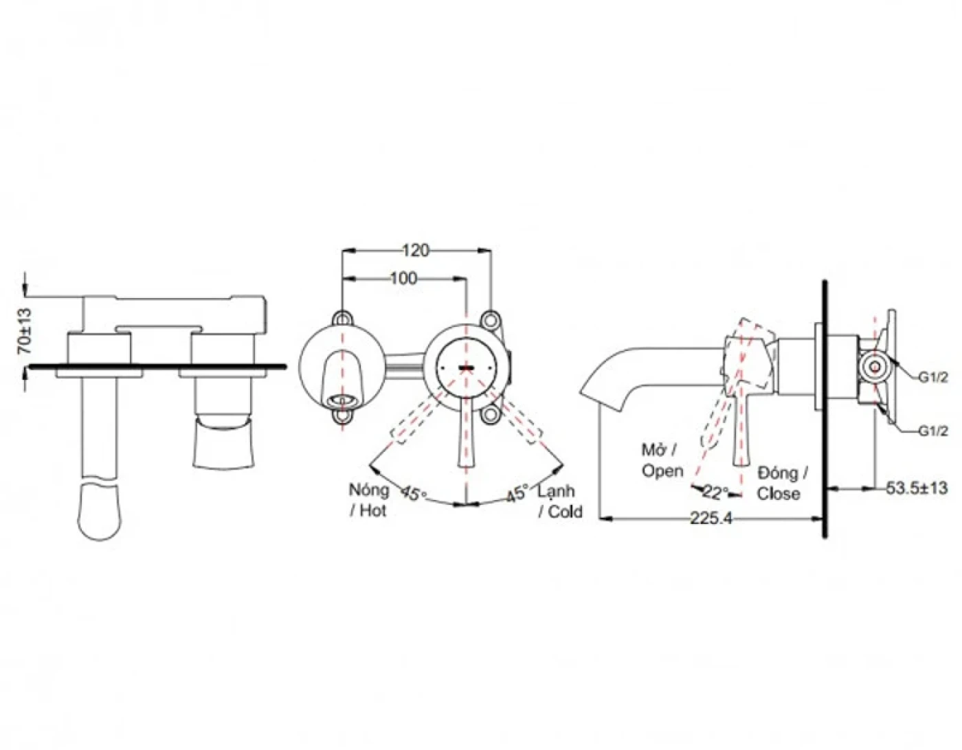
Bản vẽ kỹ thuật Vòi chậu gắn tường TOTO TLS02308B
Thiết kế vòi dài sang trọng: Vòi chậu gắn tường TOTO TLS02308B sở hữu chiều dài từ tâm xả đến tường đạt 225.4 mm, giúp dòng nước rơi chính xác vào lòng lavabo và tạo điểm nhấn tinh tế cho không gian.

Thiết kế vòi dài sang trọng, hiện đại
Lớp mạ bền vững vượt trội: Bề mặt vòi chậu được bao phủ lớp mạ Nickel dày gấp 3 lần, mang lại khả năng chống ăn mòn cực cao và luôn giữ được vẻ sáng bóng như mới.
Chất liệu đồng thau cao cấp: Thân vòi chậu gắn tường TOTO TLS02308B được đúc từ đồng thau nguyên chất, đảm bảo độ bền chắc, chịu nhiệt tốt và cực kỳ an toàn cho nguồn nước sinh hoạt của gia đình.
Vận hành ổn định dưới áp lực cao: Vòi chậu gắn tường TOTO TLS02308B hoạt động hoàn hảo trong dải áp lực nước từ 0.05 đến 1.0 MPa, cung cấp dòng chảy mạnh mẽ nhưng vẫn vô cùng êm ái.
Tiện nghi với hai chế độ nóng lạnh: Cơ chế gật gù linh hoạt giúp người dùng dễ dàng điều chỉnh nhiệt độ nước theo ý muốn, mang lại trải nghiệm sử dụng thư giãn và thoải mái.
Dễ dàng vệ sinh và bảo trì: Nhờ thiết kế gắn tường gọn gàng và bề mặt trơn nhẵn, vòi chậu gắn tường TOTO TLS02308B giúp việc lau chùi trở nên nhanh chóng, giữ cho khu vực chậu rửa luôn khô ráo và sạch sẽ.
Quý khách hãy liên hệ ngay với hệ thống Showroom Hải Linh để sở hữu vòi chậu gắn tường TOTO TLS02308B chính hãng với mức giá ưu đãi cùng chính sách bảo hành uy tín từ nhà sản xuất.