

Vòi chậu gắn tường TOTO TLG02310BB là giải pháp hoàn hảo cho không gian phòng tắm hiện đại nhờ thiết kế âm tường tinh tế giúp tối ưu diện tích và mang lại vẻ đẹp sang trọng. Sản phẩm hội tụ đầy đủ những công nghệ vượt trội từ Nhật Bản, đảm bảo sự bền bỉ và tính thẩm mỹ cao cho mọi công trình cao cấp.

Chi tiết vòi chậu gắn tường TOTO TLG02310BB
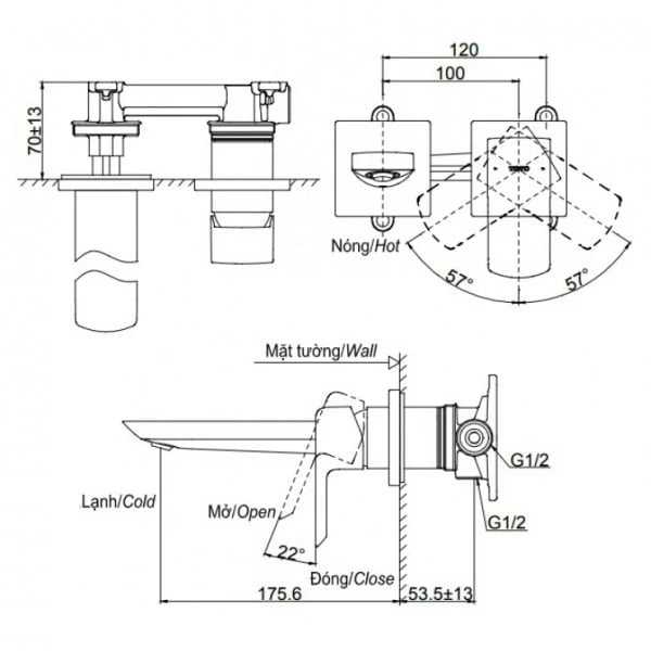
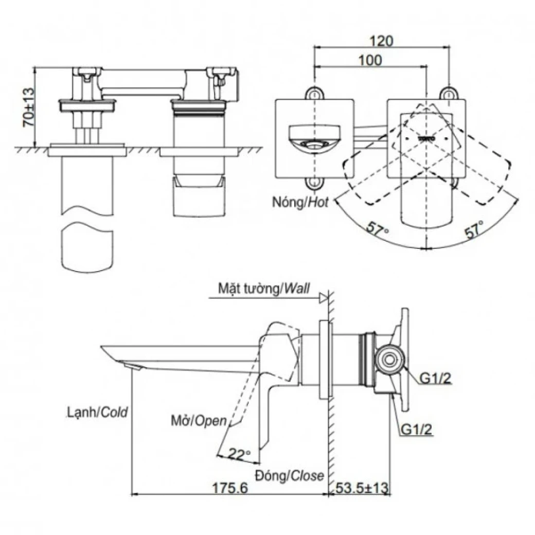
Lưu ý: Sản phẩm không bao gồm bộ xả và ống thải chữ P
Gợi ý: Có thể dùng với bộ xả và ống thải chữ P TVLF405 hoặc T6JV2N + TVLF402

Bản vẽ kỹ thuật vòi chậu gắn tường TOTO TLG02310BB
Chất liệu đồng thau bền bỉ: Vòi chậu gắn tường TOTO TLG02310BB được sản xuất từ đồng thau nguyên chất cao cấp, giúp sản phẩm có khả năng chịu lực tốt và chống ăn mòn hiệu quả trong môi trường nước.
Lớp mạ Nickel Crom sang trọng: Bề mặt vòi chậu được phủ lớp mạ Nickel Crom dày dặn, không chỉ chống gỉ sét mà còn giữ được vẻ sáng bóng lâu dài theo thời gian.
Thiết kế gắn tường tinh xảo: Với kiểu dáng lắp đặt âm tường hiện đại, vòi chậu TOTO TLG02310BB giúp không gian chậu rửa trở nên gọn gàng, thông thoáng và ấn tượng.
Van đĩa sứ chống rò rỉ: Sản phẩm vòi chậu gắn tường TOTO TLG02310BB trang bị van đĩa sứ chịu mài mòn cao, đảm bảo vận hành êm ái, bền bỉ và ngăn chặn tình trạng thất thoát nước.
Công nghệ tiết kiệm nước thông minh: Vòi chậu gắn tường TOTO TLG02310BB tích hợp công nghệ dòng chảy tiên tiến, giúp tối ưu lượng nước sử dụng mà vẫn đảm bảo áp lực nước mạnh mẽ, thoải mái.
Thao tác gạt nhẹ nhàng: Tay gạt được thiết kế ergonomic chuẩn xác, cho phép người dùng điều chỉnh nhiệt độ và lưu lượng nước cực kỳ dễ dàng, mượt mà.
Vệ sinh nhanh chóng: Nhờ bề mặt trơn nhẵn và chống bám bẩn, việc làm sạch vòi chậu gắn tường TOTO TLG02310BB trở nên đơn giản chỉ với vài thao tác lau chùi nhẹ nhàng.
Để sở hữu vòi chậu gắn tường TOTO TLG02310BB chính hãng với mức giá ưu đãi, quý khách hãy liên hệ ngay với hệ thống Showroom Hải Linh để được tư vấn chuyên sâu và hỗ trợ tận tình.