


Sen tắm nhiệt độ TOTO TBV03427V/TBW02006V là sự kết hợp hoàn hảo giữa công nghệ ổn định nhiệt an toàn và tay sen 3 chế độ massage độc quyền từ Nhật Bản. Với thiết kế hiện đại cùng khả năng kiểm soát nước chính xác, bộ sản phẩm này mang đến trải nghiệm tắm thư giãn đẳng cấp và an toàn cho mọi gia đình.

Sen tắm nhiệt độ TOTO TBV03427V/TBW02006V

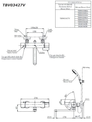
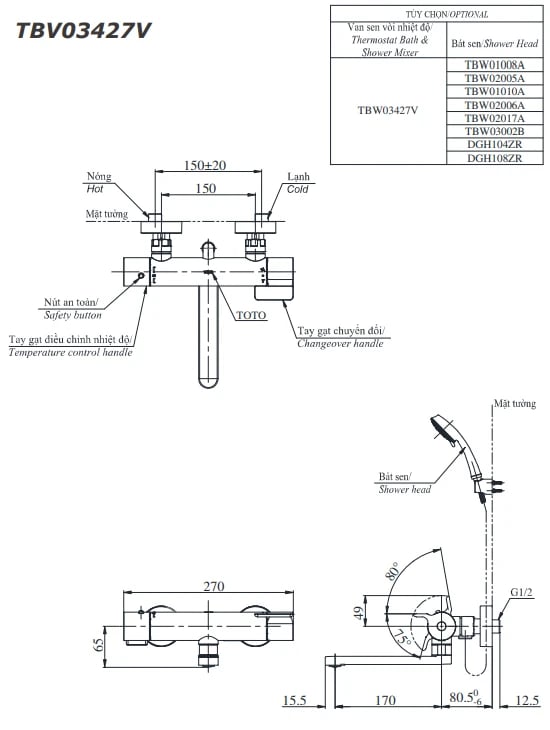
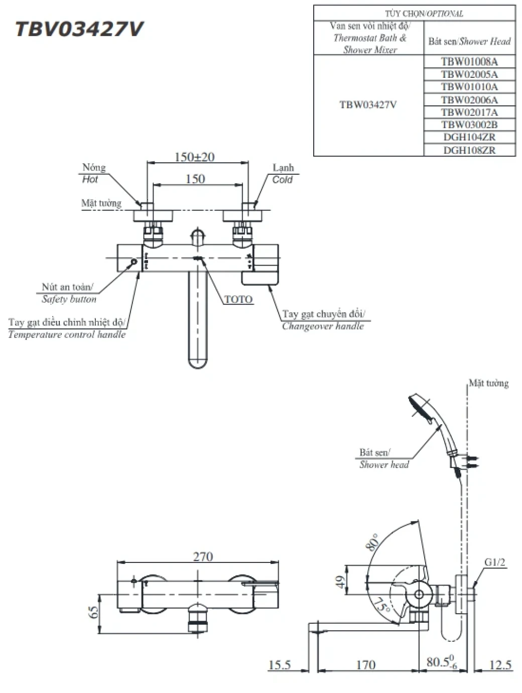
Bản vẽ kỹ thuật sen tắm nhiệt độ TOTO TBV03427V/TBW02006V
Công nghệ ổn định nhiệt Safety Thermo: Sen tắm nhiệt độ TOTO TBV03427V/TBW02006V sở hữu lõi vật liệu SMA phản ứng nhanh gấp 6 lần, giúp kiểm soát nhiệt độ nước chính xác và ngăn chặn tình trạng nước nóng đột ngột.
Chống bỏng bề mặt Heat Protect: Thiết kế thông minh của sen tắm TOTO TBV03427V/TBW02006V giúp bao phủ đường dẫn nước nóng bằng một lớp nước lạnh. Từ đó đảm bảo bề mặt sen vòi luôn mát, an toàn cho trẻ nhỏ.
Tay sen 3 chế độ massage linh hoạt: Mã tay sen TBW02006V đi kèm cho phép người dùng dễ dàng chuyển đổi giữa các chế độ Warm Spa, Active Wave và Comfort Wave để tận hưởng cảm giác thư giãn như tại spa.

Ưu điểm của sen tắm nhiệt độ TOTO TBV03427V/TBW02006V
Trải nghiệm Warm Spa độc đáo: Sen tắm nhiệt độ TOTO TBV03427V/TBW02006V mang đến dòng nước ấm lan tỏa, ôm trọn cơ thể giúp giữ nhiệt và giảm căng thẳng hiệu quả sau ngày dài làm việc.
Công nghệ Active Wave mạnh mẽ: Chế độ xoáy sâu với cường độ nước mạnh trên tay sen TBW02006V giúp kích thích các giác quan, tạo cảm giác hưng phấn và sảng khoái khi tắm.
Lớp mạ Niken-Chrome bền bỉ: Toàn bộ bộ sen tắm nhiệt độ TOTO TBV03427V/TBW02006V được bao phủ bởi lớp mạ cao cấp, vừa tạo vẻ sáng bóng sang trọng, vừa chống ăn mòn và trầy xước vượt trội.
Thiết kế hiện đại và tinh tế: Với kiểu dáng củ sen gắn tường chắc chắn phối cùng bát sen vuông vát tròn, sản phẩm tạo điểm nhấn thẩm mỹ đẳng cấp cho không gian phòng tắm hiện đại.

Lớp mạ Niken-Chrome thẩm mỹ, bền bỉ
Hãy đến trực tiếp hệ thống Showroom Hải Linh để trải nghiệm thực tế và mua sắm sen tắm nhiệt độ TOTO TBV03427V/TBW02006V chính hãng với ưu đãi hấp dẫn