


Sen tắm cây TOTO TX454SFV2BRS là bộ sen tắm cây nhiệt độ cao cấp của TOTO, nổi bật với thiết kế hiện đại và sang trọng. Sản phẩm được tích hợp các công nghệ massage đặc trưng từ Nhật Bản, mang lại trải nghiệm tắm thư giãn và thoải mái cho người dùng.


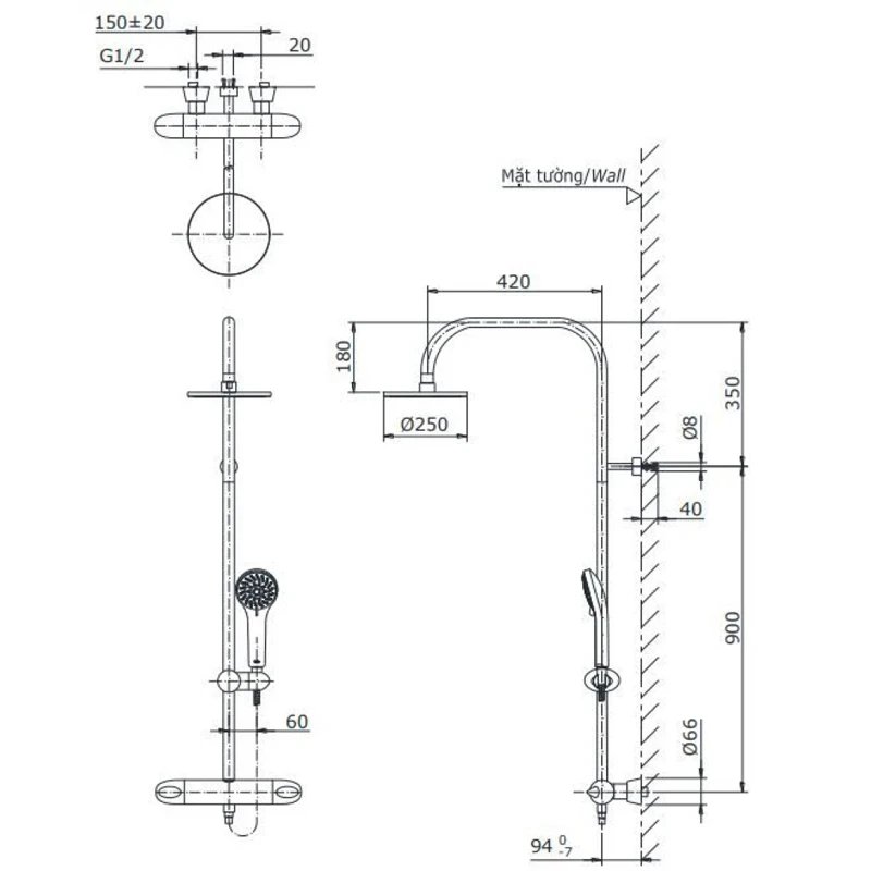
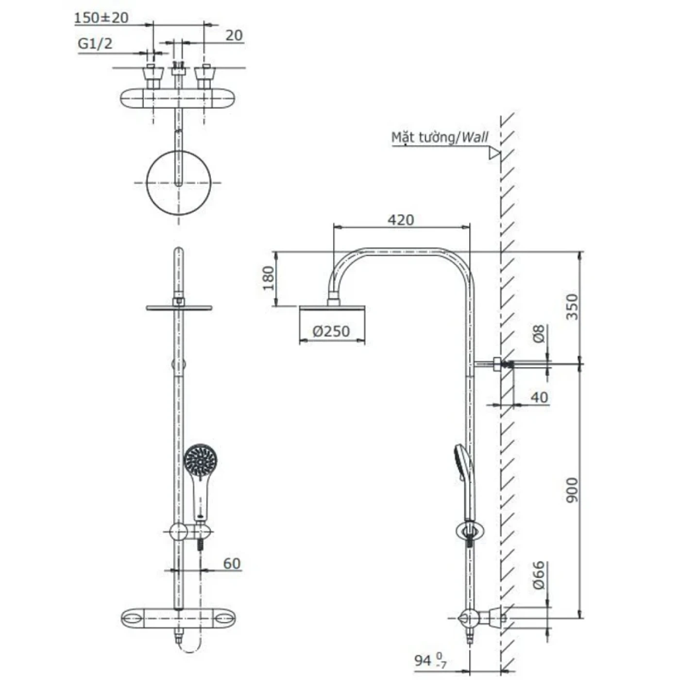
Bản vẽ kỹ thuật sen tắm cây TOTO TX454SFV2BRS
Công nghệ Safety Thermo (lõi lò xo SMA): Hệ thống sử dụng lõi lò xo nhiệt SMA để kiểm soát nhiệt độ nước chính xác. Lõi phản ứng nhanh với sự thay đổi của áp lực và nhiệt độ nguồn nước. Nhờ đó nhiệt độ nước luôn ổn định và an toàn trong suốt quá trình tắm.

Công nghệ Safety Thermo ổn định nhiệt độ
Bát sen cầm tay 3 chế độ: Tay sen tắm cây TOTO TX454SFV2BRS được tích hợp 3 chế độ phun nước linh hoạt. Người dùng có thể chuyển đổi giữa Warm Spa, Comfort Wave và Active Wave tùy nhu cầu sử dụng. Điều này giúp trải nghiệm tắm trở nên đa dạng và thoải mái hơn.
Chế độ Warm Spa: Dòng nước chảy nhẹ nhàng và bao phủ cơ thể như một lớp áo nước ấm. Nước giúp giữ nhiệt tốt và mang lại cảm giác thư giãn khi tắm. Nhờ vậy cơ thể nhanh chóng được làm ấm và giảm căng thẳng.
Chế độ Comfort Wave: Bát sen tắm cây TOTO TX454SFV2BRS tạo ra các tia nước với hạt nước lớn và nhịp phun đều. Dòng nước mang lại cảm giác massage êm dịu trên da. Nhờ đó giúp cơ thể thư giãn và tạo cảm giác tắm dễ chịu.

Công nghệ Comfort Wave massage thư giãn
Chế độ Active Wave: Các tia nước được phun mạnh và tập trung hơn. Dòng nước giúp kích thích giác quan và làm sạch cơ thể hiệu quả. Nhờ vậy mang lại cảm giác sảng khoái và tràn đầy năng lượng.
Thiết kế bát sen cây rộng: Bát sen tắm cây TOTO TX454SFV2BRS có đường kính khoảng 250mm giúp vùng phun nước rộng hơn. Dòng nước bao phủ toàn bộ cơ thể khi tắm. Nhờ đó mang lại cảm giác thoải mái và thư giãn tối đa.
Chất liệu cao cấp: Thân vòi sen tắm cây TOTO TX454SFV2BR được làm từ đồng thau chắc chắn và có độ bền cao. Bề mặt được mạ Nickel-Chrome giúp chống ăn mòn và hạn chế bám bẩn. Nhờ vậy sản phẩm luôn sáng bóng và dễ dàng vệ sinh trong quá trình sử dụng.
Với kiểu dáng tinh gọn cùng các công nghệ tắm hiện đại, TOTO TX454SFV2BRS là lựa chọn phù hợp cho không gian phòng tắm tiện nghi. Sản phẩm giúp nâng cao trải nghiệm tắm và đáp ứng tốt nhu cầu sử dụng hằng ngày. Quý khách có thể tham khảo sản phẩm chính hãng tại showroom Hải Linh.