



Được sản xuất trên dây chuyền công nghệ tiêu chuẩn Châu Âu, vòi xả bồn nóng lạnh TOTO TBS01201BA khẳng định vị thế vượt trội nhờ kết hợp giữa độ bền của đồng thau và khả năng tiết kiệm nước thông minh. Đây không chỉ là thiết bị vệ sinh cao cấp mà còn là giải pháp tối ưu mang lại tiện nghi, an toàn và vẻ đẹp sang trọng cho không gian thư giãn.

Vòi xả bồn nóng lạnh TOTO TBS01201BA

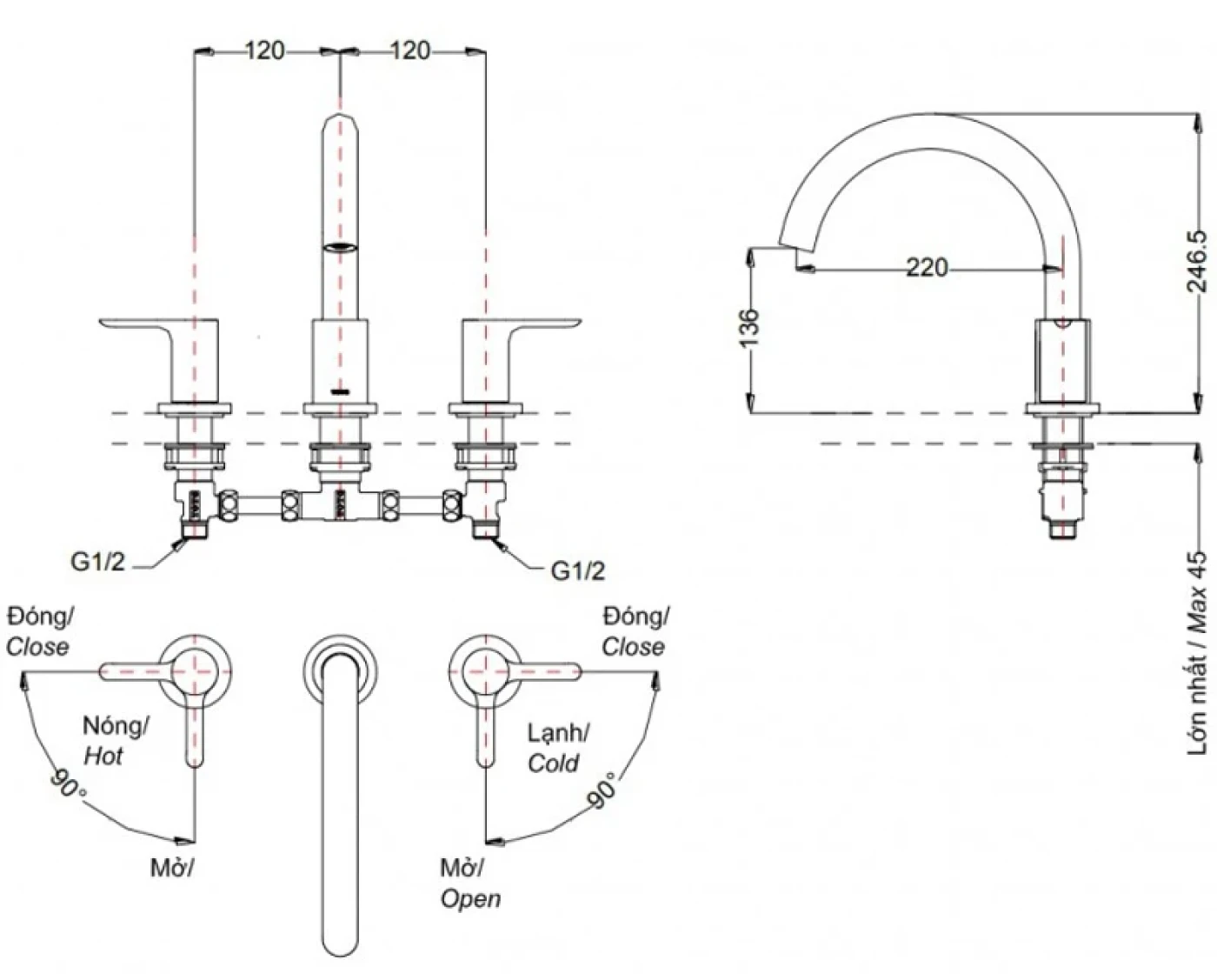
Bản vẽ kỹ thuật vòi xả bồn nóng lạnh TOTO TBS01201BA
Thiết kế hiện đại và đẳng cấp: Vòi xả bồn nóng lạnh TOTO TBS01201BA mang phong cách sang trọng, dễ dàng kết hợp hài hòa với nhiều không gian nội thất, tạo điểm nhấn tinh tế cho khu vực bồn tắm.

Vòi xả bồn tắm TOTO TBS01201BA chất lượng
Lớp mạ Ni-Cr bền vững: Nhờ lớp mạ niken-chrome cao cấp, sản phẩm luôn giữ được vẻ sáng bóng, chống gỉ sét và trầy xước hiệu quả trong môi trường ẩm ướt.
Chất liệu đồng thau nguyên khối: Thân van của vòi xả bồn nóng lạnh TOTO TBS01201BA được làm từ đồng thau chắc chắn, đảm bảo độ bền kết cấu vượt trội và an toàn cho sức khỏe người dùng.
Van đĩa sứ chống bám cặn: Vòi xả bồn nóng lạnh TOTO TBS01201BA tích hợp van đĩa bằng sứ giúp vận hành êm ái, khóa nước hoàn toàn và ngăn chặn tình trạng tích tụ cặn bẩn sau thời gian dài sử dụng.
Điều chỉnh nhiệt độ linh hoạt: Với thiết kế hai tay gạt riêng biệt, sản phẩm cho phép bạn tùy chỉnh dòng nước nóng lạnh chính xác theo nhu cầu, mang lại cảm giác thư giãn tối đa.
Công nghệ tiết kiệm nước tiên tiến: Vòi xả bồn nóng lạnh TOTO TBS01201BA giúp giảm lượng nước tiêu thụ đáng kể nhưng vẫn đảm bảo hiệu suất xả mạnh mẽ, giúp tiết kiệm chi phí cho gia đình.
Dễ dàng lắp đặt và sử dụng: Sở hữu cấu tạo 3 lỗ đơn giản, vòi xả bồn nóng lạnh TOTO TBS01201BA giúp quá trình thi công nhanh chóng và thuận tiện cho người sử dụng hàng ngày.
Quý khách hãy đến ngay hệ thống Showroom Hải Linh để trải nghiệm và sở hữu vòi xả bồn nóng lạnh TOTO TBS01201BA chính hãng với mức giá ưu đãi và dịch vụ hậu mãi chu đáo!