


Chậu rửa treo tường COTTO C013+C404 thuộc dòng Kensington 20 là bộ lavabo chân dài cao cấp được nhập khẩu từ Thái Lan. COTTO C013+C404 gồm chậu treo tường C013 và chân đứng C404, tạo tổng thể hài hòa và chắc chắn cho không gian phòng tắm. Thiết kế mang phong cách thanh lịch, phù hợp với nhiều công trình từ nhà ở đến khách sạn.
Tìm hiểu về chậu rửa treo tường Cotto C013+C404
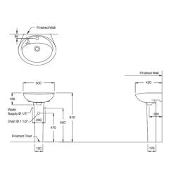
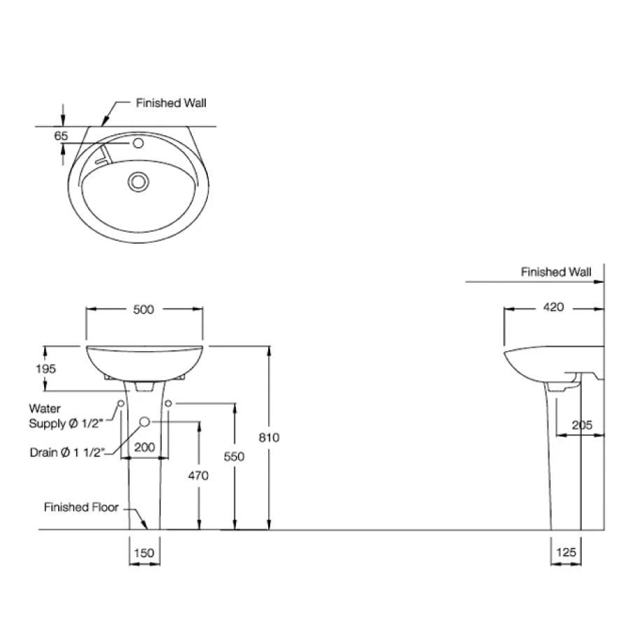
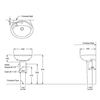
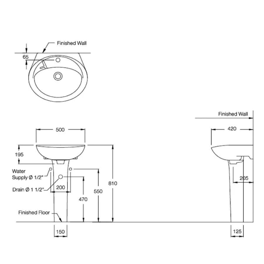
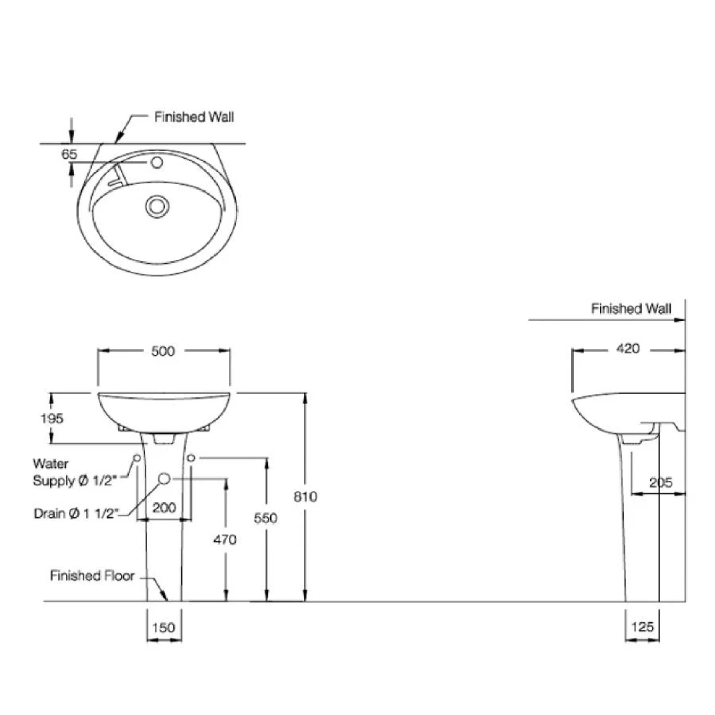
Bản vẽ kỹ thuật chậu rửa treo tường Cotto C013+C404
Thiết kế Kensington cổ điển, cân đối: Chậu rửa treo tường Cotto C013+C404 mang kiểu dáng chữ nhật bo góc nhẹ, tạo tổng thể hài hòa. Phong cách Kensington phù hợp với không gian tân cổ điển và bán cổ điển. Thiết kế này giúp phòng tắm giữ được nét trang nhã theo thời gian.
Chậu rửa treo tường Cotto C013+C404 mang kiểu dáng chữ nhật bo góc nhẹ
Men sứ Ceramic trắng bóng, dễ vệ sinh: Bề mặt được tráng men siêu mịn giúp hạn chế bám bẩn hằng ngày. Giảm điều kiện hình thành vi khuẩn và nấm mốc trong môi trường ẩm. Nhờ đó, việc lau chùi nhanh gọn và tiết kiệm công sức.
Chân dài C404 che chắn hệ thống xả: Chân chậu cao giúp nâng đỡ chắc chắn khi lắp đặt cố định. Đồng thời che kín xiphong và dây cấp nước phía sau. Giải pháp này tăng tính thẩm mỹ và tạo cảm giác gọn gàng cho khu vực sử dụng.
Lỗ thoát tràn tích hợp an toàn: Cotto C013+C404 có lỗ thoát tràn giúp kiểm soát mực nước khi dùng. Hạn chế tình trạng tràn nước ra sàn nếu quên tắt vòi. Tính năng này phù hợp cho gia đình và công trình có tần suất sử dụng cao.
Kích thước 500x420mm nhỏ gọn, linh hoạt lắp đặt: Thông số gọn gàng phù hợp nhiều diện tích phòng tắm khác nhau. Lòng chậu đủ sâu để sử dụng thoải mái hằng ngày. Chậu rửa treo tường Cotto C013+C404 đáp ứng tốt nhu cầu lắp đặt cho căn hộ, nhà phố và khách sạn nhỏ.
Phần chân đứng giúp che kín hệ thống ống xả, tăng tính thẩm mỹ và giữ khu vực lavabo luôn gọn gàng. Chất liệu sứ vệ sinh bền chắc, bề mặt nhẵn mịn hỗ trợ vệ sinh nhanh chóng và duy trì độ sáng lâu dài. Quý khách có thể tham khảo và trải nghiệm trực tiếp sản phẩm tại showroom Hải Linh để được tư vấn chi tiết và lựa chọn phù hợp với nhu cầu thực tế.