

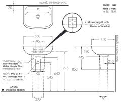
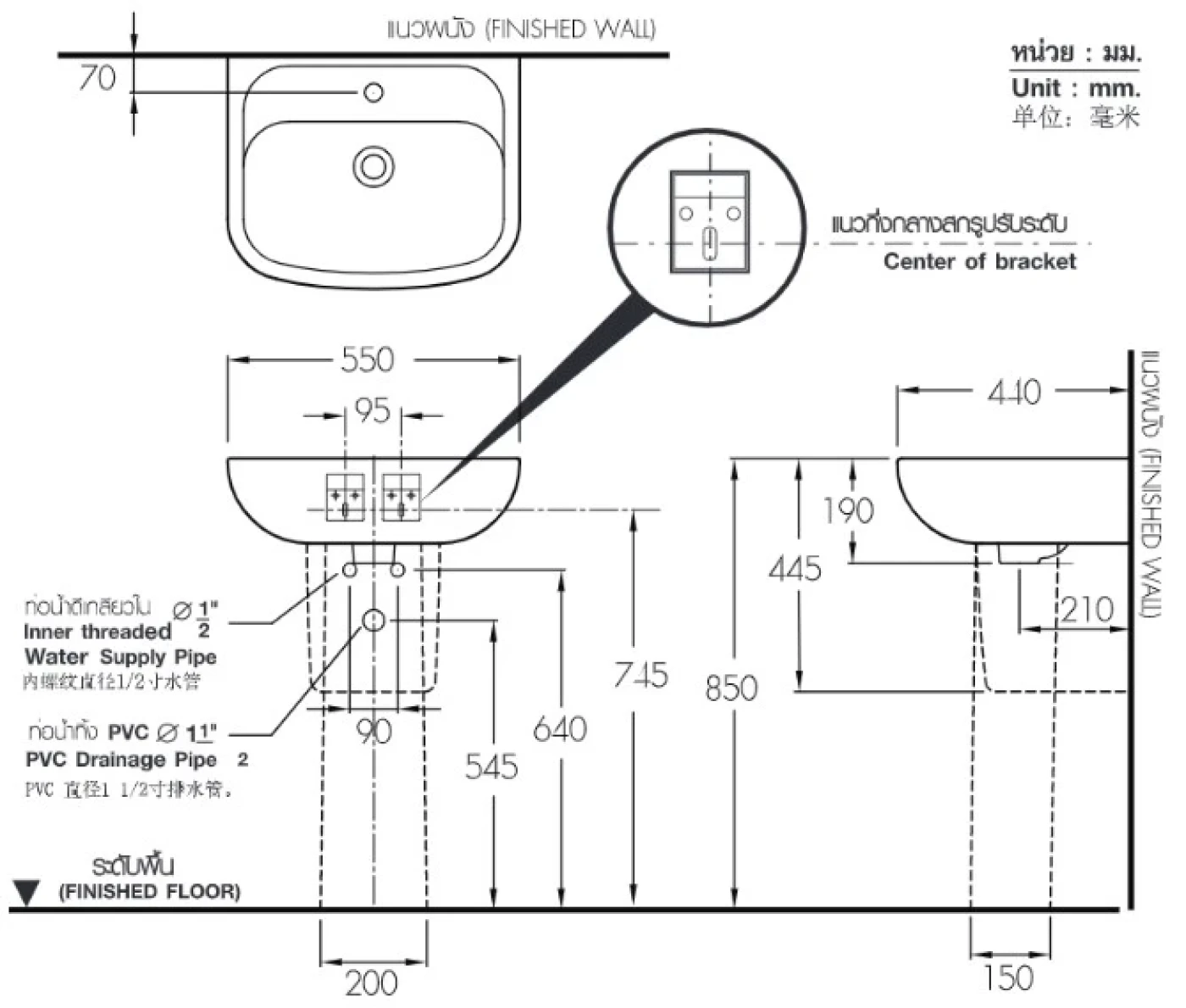
Kích thước (R x D x C): 440 x 550 x 850 mm
Chất liệu: Ceramic, màu trắng
Chậu rửa chân dài Cotto C0141/C4141 là dòng sản phẩm treo tường kèm chân đứng sở hữu thiết kế tinh tế, giúp nâng tầm đẳng cấp và sự sang trọng cho phòng tắm. Với kích thước gọn gàng 440 x 550 x 850mm, đây là giải pháp hoàn hảo để tối ưu diện tích cho những không gian hạn hẹp mà vẫn đảm bảo đầy đủ công năng.
Tìm hiểu thông tin về chậu rửa chân dài Cotto C0141/C4141
Bản vẽ kỹ thuật chậu rửa chân dài Cotto C0141/C4141
Thiết kế hiện đại, sang trọng: Chậu rửa chân dài Cotto C0141/C4141 mang phong cách hiện đại với những đường nét thanh thoát, tạo điểm nhấn thẩm mỹ ấn tượng cho kiến trúc nội thất.
Tối ưu hóa diện tích: Nhờ kiểu dáng treo tường kết hợp chân dài, chậu rửaCotto C0141/C4141 giúp giải phóng không gian mặt sàn, mang lại cảm giác rộng rãi và thoáng đãng cho phòng tắm nhỏ.
Chất liệu Ceramic bền bỉ: Được làm từ sứ Ceramic cao cấp, chậu rửa chân dài Cotto C0141/C4141 có khả năng chịu lực tốt, chống nứt vỡ và giữ được độ bền đẹp theo thời gian.
Bề mặt men sứ mịn màng: Lớp men sáng bóng của chậu rửa chân dài Cotto C0141/C4141 không chỉ kháng khuẩn mà còn chống bám bẩn hiệu quả, giúp việc lau chùi trở nên cực kỳ đơn giản.
Tích hợp lỗ thoát tràn: Chậu rửa chân dài Cotto C0141/C4141 được trang bị lỗ thoát tràn thông minh, đảm bảo an toàn và ngăn ngừa tình trạng tràn nước ra sàn nhà khi sử dụng.
Lắp đặt nhanh chóng: Với cấu tạo đồng bộ, việc thi công và bảo trì chậu rửa Cotto C0141/C4141 diễn ra rất dễ dàng, giúp gia chủ tiết kiệm tối đa thời gian và công sức.
Đến ngay hệ thống Showroom Hải Linh để trải nghiệm và mua sắm chậu rửa chân dài Cotto C0141/C4141 chính hãng với mức giá cạnh tranh nhất cùng nhiều chương trình khuyến mãi hấp dẫn.