


Bồn cầu 1 khối COTTO C105327 là dòng thiết bị vệ sinh cao cấp, nổi bật với công nghệ xả không chạm (Touchless/MICC) hiện đại, cho phép vẫy tay để kích hoạt xả nước tiện lợi và đảm bảo vệ sinh trong quá trình sử dụng. Bồn cầu sở hữu thiết kế thân dài thẩm mỹ, kết hợp men kháng khuẩn Ultra Clean+ giúp hạn chế vi khuẩn hiệu quả.

Bồn cầu COTTO C105327 xả không trạm

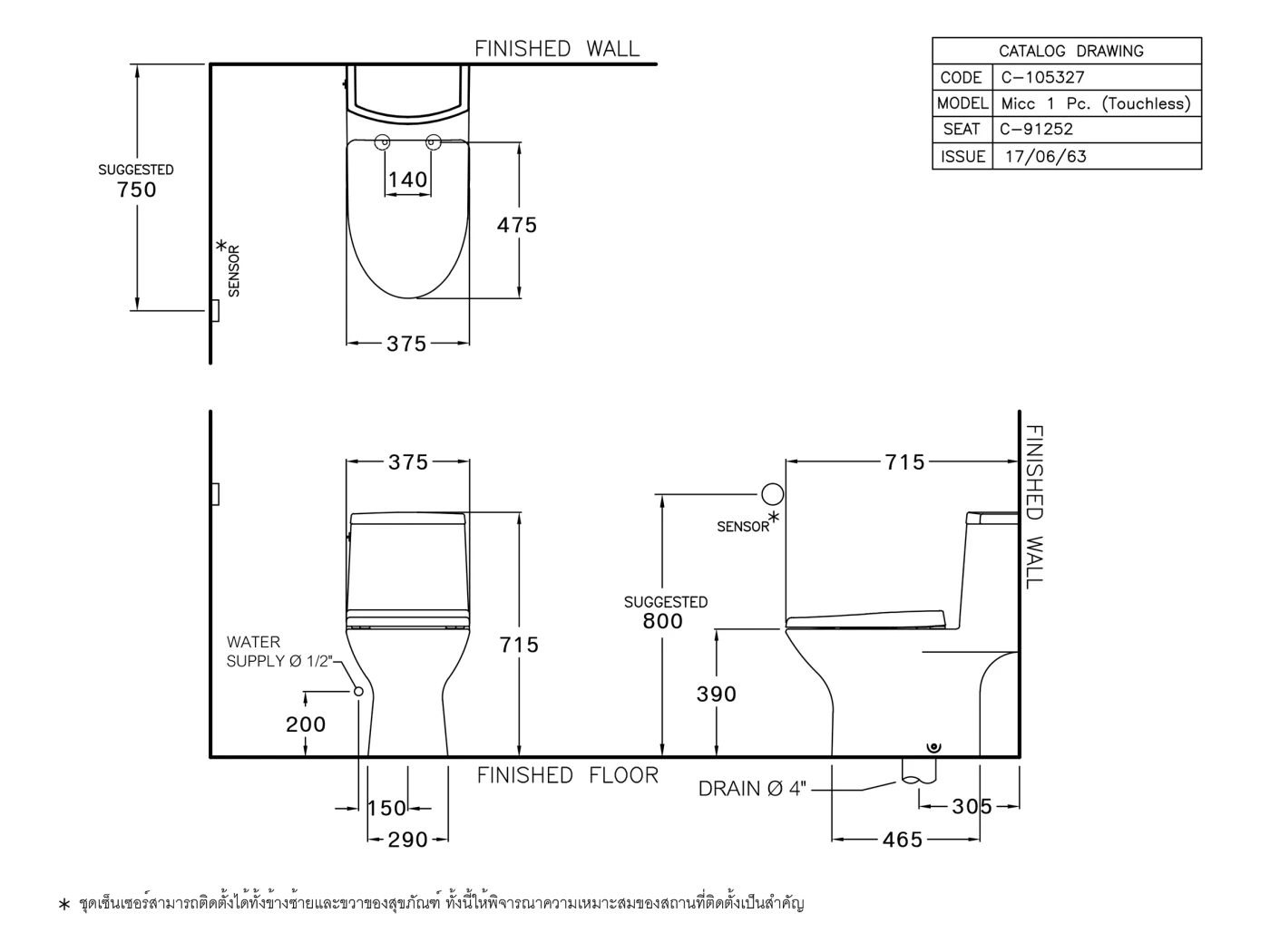
Bản vẽ kỹ thuật Bồn cầu COTTO C105327
Xả không chạm Touchless hiện đại: Công nghệ xả cảm biến trên bồn cầu xả không chạm Cotto C105327 cho phép kích hoạt xả chỉ bằng thao tác đưa tay qua vùng nhận diện. Người dùng không cần chạm tay vào nút nhấn, giúp hạn chế lây nhiễm vi khuẩn khi sử dụng. Nhờ đó, Cotto C105327 phù hợp cho gia đình và không gian cần tiêu chuẩn vệ sinh cao.

Xả không chạm Touchless hiện đại
Công nghệ men sứ kháng khuẩn Ultra Clean+: Bề mặt sứ được phủ lớp men Ultra Clean+ giúp ức chế đến 99% vi khuẩn trong vòng 24 giờ. Lớp men trơn mịn giúp hạn chế bám bẩn và hỗ trợ vệ sinh nhanh chóng. Công nghệ này giúp bồn cầu xả không chạm Cotto C105327 luôn giữ được độ sạch và sáng bóng lâu dài.

Công nghệ kháng khuẩn Ultra Clean+ kháng khuẩn
Hệ thống xả Wash Down tiết kiệm nước: Cơ chế xả Wash Down tạo lực xả thẳng mạnh giúp cuốn trôi chất bẩn hiệu quả. Mỗi lần xả chỉ sử dụng 4.5L nước nhưng vẫn đảm bảo khả năng làm sạch ổn định. Tính năng này giúp Cotto C105327 tối ưu lượng nước tiêu thụ trong sinh hoạt hằng ngày.

Bồn cầu COTTO C105327 có hệ thống xả WAsh Down
Thiết kế một khối One-piece gọn gàng: Thân bồn cầu thiết kế liền khối với đường bo tròn mềm mại, hạn chế các khe hở tích tụ bụi bẩn. Kiểu dáng kín giúp việc lau chùi bên ngoài trở nên đơn giản và nhanh hơn. Nhờ thiết kế này, bồn cầu xả không chạm Cotto C105327 mang lại vẻ hiện đại và sạch sẽ cho phòng tắm.

Bồn cầu COTTO C105327 thiết kế thân liền khối đẹp
Nắp đóng êm giảm tiếng ồn: Nắp bồn cầu được trang bị cơ chế hạ chậm giúp đóng xuống nhẹ nhàng. Tính năng này hạn chế tiếng ồn và tránh va đập mạnh làm ảnh hưởng đến độ bền sứ. Đồng thời, Cotto C105327 giúp không gian sinh hoạt yên tĩnh và thoải mái hơn khi sử dụng.

Bồn cầu COTTO C105327 nắp đóng êm
Nhờ tích hợp công nghệ xả không chạm tiện lợi, nắp đóng êm và chế độ xả tiết kiệm nước 4.5L, bồn cầu một khối COTTO C105327 mang lại trải nghiệm sử dụng sạch sẽ, tiện nghi và dễ dàng trong sinh hoạt hằng ngày. Quý khách có thể tham khảo và trải nghiệm trực tiếp sản phẩm tại showroom Hải Linh để được tư vấn chi tiết và lựa chọn phù hợp.