




Bồn cầu nắp điện tử Cotto C125317(CV4) là dòng bồn cầu 2 khối thông minh thuộc bộ sưu tập Simply Connect, hướng đến nhu cầu sử dụng tiện nghi và vệ sinh hiện đại trong không gian phòng tắm. C125317(CV4) tích hợp nắp rửa điện tử C9204 (AC 220V), kết hợp hệ thống xả Triplex tiết kiệm nước cùng công nghệ kháng khuẩn Ultra Clean+, mang lại trải nghiệm sạch sẽ, êm ái và phù hợp cho gia đình hiện đại.

Bồn cầu thông minh COTTO C125317(CV4)

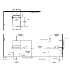
Bản vẽ kỹ thuật Bồn cầu COTTO C125317(CV4)
Vòi rửa đa năng & Diệt khuẩn UV: Vòi rửa thép không gỉ trên bồn cầu nắp điện tử Cotto C125317(CV4) tự động làm sạch và khử khuẩn bằng tia UV trước và sau khi sử dụng, giúp đảm bảo vệ sinh tối đa. Hệ thống hỗ trợ nhiều chế độ như rửa trước, rửa sau và rửa massage mang lại cảm giác thoải mái, sạch sâu. Nhờ đó, Cotto C125317(CV4) giúp hạn chế vi khuẩn và nâng cao trải nghiệm vệ sinh hằng ngày.

Bồn cầu thông minh COTTO C125317(CV4) thiết kế hiện đại
Sưởi ấm bệ ngồi & Sấy khô tiện nghi: Bệ ngồi được trang bị chức năng sưởi ấm với mức nhiệt điều chỉnh linh hoạt, tạo cảm giác dễ chịu khi sử dụng. Hệ thống sấy khô bằng khí ấm giúp làm khô nhanh sau khi rửa, giảm phụ thuộc vào giấy vệ sinh. Tính năng này giúp bồn cầu nắp điện tử Cotto C125317(CV4) mang lại sự tiện nghi và thoải mái trong mọi điều kiện thời tiết.

Bồn cầu thông minh COTTO C125317(CV4) nắp đóng êm
Hệ thống xả Triplex tiết kiệm nước: Công nghệ xả Triplex tạo dòng xoáy mạnh giúp cuốn trôi chất bẩn nhanh chóng mà vẫn vận hành êm ái. Hai mức xả 3L và 4.5L tối ưu lượng nước sử dụng, phù hợp nhu cầu sinh hoạt hằng ngày. Nhờ đó, Cotto C125317(CV4) vừa đảm bảo hiệu quả làm sạch vừa góp phần tiết kiệm nước lâu dài.

Bồn cầu thông minh COTTO C125317(CV4) tiết kiệm nước
Men sứ kháng khuẩn Ultra Clean+: Bề mặt sứ được phủ men Ultra Clean+ giúp ức chế vi khuẩn phát triển lên đến 99%. Lớp men trơn mịn hạn chế bám bẩn, giúp việc vệ sinh trở nên nhanh và nhẹ nhàng hơn. Đây là yếu tố giúp bồn cầu nắp điện tử Cotto C125317(CV4) luôn giữ được độ sạch và độ bền theo thời gian.
Tiện ích thông minh hỗ trợ sử dụng: Bồn cầu tích hợp hệ thống khử mùi tự động giúp không gian phòng tắm luôn thông thoáng. Đèn LED ban đêm hỗ trợ quan sát dễ dàng mà không gây chói mắt khi sử dụng vào buổi tối. Ngoài ra, nắp đóng êm của Cotto C125317(CV4) giúp hạn chế tiếng ồn, tăng sự tiện nghi cho gia đình.

Bồn cầu thông minh COTTO C125317(CV4) kiểu dáng đẹp
Với thiết kế thân dài thoải mái, khả năng xả mạnh mẽ tiết kiệm nước và công nghệ kháng khuẩn hiệu quả, bồn cầu nắp điện tử Cotto C125317(CV4) là lựa chọn đáng cân nhắc cho không gian vệ sinh tiện nghi và sạch sẽ mỗi ngày. Cotto C125317(CV4) đáp ứng tốt nhu cầu sử dụng lâu dài, dễ vệ sinh và nâng cao trải nghiệm sinh hoạt gia đình.