
Bồn cầu 2 khối Cotto C15017 RA thuộc dòng Googai gây ấn tượng với thiết kế nắp hồng dễ thương và công nghệ Ultra Clean+ tiên tiến, giúp kháng khuẩn đến 99% để bảo vệ sức khỏe bé yêu. Với hệ thống xả thẳng tiết kiệm nước 3,75L cùng kích thước chuẩn nhân trắc học, đây là lựa chọn hoàn hảo để kiến tạo không gian vệ sinh an toàn, giúp trẻ tự lập mỗi ngày.

Chi tiết bồn cầu 2 khối Cotto C15017 RA

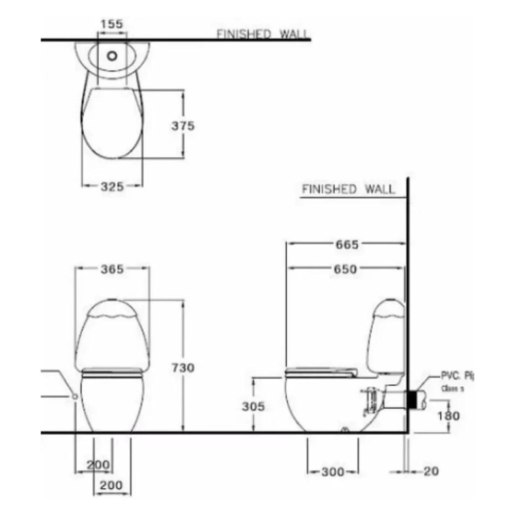
Bồn cầu 2 khối Cotto C15017 RA thu hút sự chú ý của các bé gái nhờ gam màu hồng pastel ngọt ngào ở phần nắp, giúp không gian phòng tắm trở nên sinh động và gần gũi hơn. Với kiểu dáng thân dài bo tròn tinh tế cùng kích thước gọn gàng, sản phẩm mang lại tư thế ngồi vững chãi, giúp trẻ tự tin và thoải mái hơn khi bắt đầu hành trình tự lập.
Điểm cộng lớn nhất của bồn cầu 2 khối Cotto C15017 RA chính là lớp men ứng dụng công nghệ Ultra Clean+, giúp ức chế sự phát triển của vi khuẩn có hại lên đến 99% trong vòng 24 giờ. Bề mặt sứ Ceramic siêu bóng mịn, không chỉ ngăn ngừa bám bẩn, mùi hôi mà còn hỗ trợ ba mẹ vệ sinh thiết bị nhanh chóng mà không cần sử dụng quá nhiều chất tẩy rửa mạnh.

Dòng bồn cầu 2 khối Cotto C15017 RA được trang bị hệ thống xả thẳng thông minh với tâm xả 180mm, đảm bảo khả năng cuốn trôi mọi chất bẩn triệt để và êm ái. Đặc biệt, sản phẩm cực kỳ thân thiện với môi trường khi chỉ tiêu thụ 3,75L nước cho mỗi lần xả, giúp gia đình tối ưu hóa hóa đơn tiền nước hàng tháng mà vẫn duy trì hiệu suất vệ sinh cao.
Ghé ngay showroom Hải Linh để tham khảo trực tiếp và sở hữu bồn cầu 2 khối Cotto C15017 RA chính hãng với giá ưu đãi nhất cùng chính sách miễn phí vận chuyển nội thành.