
Bồn cầu 2 khối COTTO C13961 là lựa chọn hoàn hảo cho phòng tắm nhờ thiết kế sang trọng, hiện đại cùng công nghệ men sứ chống dính ưu việt. Sản phẩm tích hợp chế độ xả kép tiết kiệm nước và nắp đóng êm ái, mang lại trải nghiệm tiện nghi và bền bỉ cho mọi gia đình.

Bồn cầu 2 khối COTTO C13961

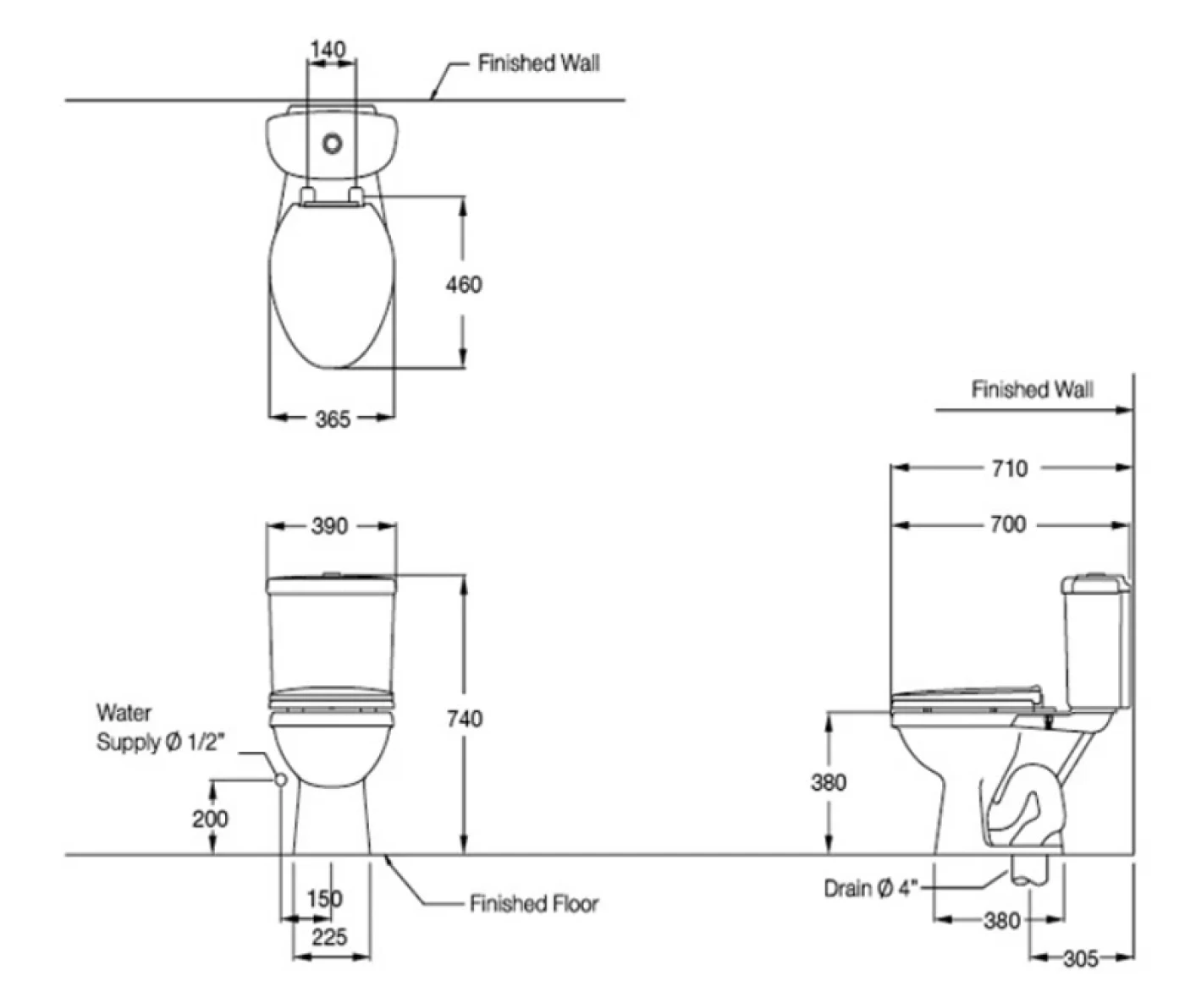
Bản vẽ kỹ thuật Bồn cầu COTTO C13961
Thiết kế tinh tế, hiện đại: Với kiểu dáng két rời sang trọng cùng tông màu trắng trang nhã, COTTO C13961 dễ dàng hòa hợp với nhiều không gian phòng tắm khác nhau. Tạo nên vẻ đẹp hiện đại và tinh tế cho công trình của bạn.
Công nghệ men sứ kháng khuẩn, chống dính: Bề mặt của bồn cầu C13961 được phủ lớp men sứ cao cấp với tính năng tự chống dính vượt trội. Công nghệ này không chỉ ngăn chặn vi khuẩn phát triển mà còn giúp vết bẩn khó bám lại. Từ đó giúp việc vệ sinh, cọ rửa trở nên nhanh chóng và nhẹ nhàng hơn.
Hệ thống xả kép tối ưu: Sản phẩm sở hữu chế độ xả nhấn 2 mức dung tích (03/06 L), cho phép bạn linh hoạt lựa chọn lượng nước tùy theo nhu cầu. Vừa đảm bảo hiệu quả làm sạch mạnh mẽ, vừa giúp tiết kiệm nước hiệu quả cho gia đình.
Nắp đóng êm ái, giảm tiếng ồn: Một trong những ưu điểm đáng giá của bồn cầu 2 khối COTTO C13961 là thiết kế nắp rơi êm. Tính năng này giúp hạn chế tối đa tiếng ồn, tạo cảm giác dễ chịu và thư thái ngay cả khi sử dụng vào ban đêm.
Kích thước chuẩn, lắp đặt dễ dàng: Với kích thước (RxDxS) 390x710x740mm và tâm xả 305mm, sản phẩm hoàn toàn phù hợp với đa số các đường ống thoát nước phổ biến hiện nay. Nhờ vậy mà giúp việc thi công và lắp đặt trở nên thuận tiện hơn.
Với chất lượng bền bỉ cùng những tính năng tiện nghi vượt trội, bồn cầu 2 khối COTTO C13961 là giải pháp nâng tầm không gian sống hoàn hảo, đáp ứng trọn vẹn nhu cầu của gia đình bạn.