


Sen tắm nóng lạnh TOTO TBS02302V/TBW07009A là sự kết hợp hoàn hảo giữa củ sen dòng LN tinh tế và bát sen cầm tay đa năng. Với công nghệ massage độc quyền của TOTO và chất liệu đồng mạ cao cấp, bộ sản phẩm hứa hẹn sẽ xóa tan mọi mệt mỏi, giúp bạn thư giãn sau ngày làm việc căng thẳng.

Sen tắm nhiệt độ TOTO TBS02302V/TBW07009A

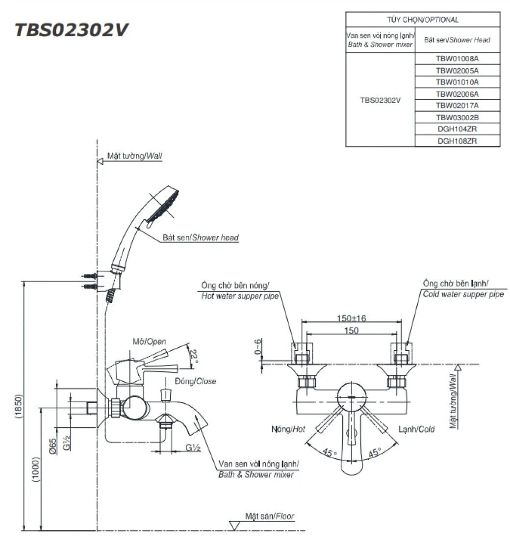
Bản vẽ kỹ thuật sen tắm nhiệt độ TOTO TBS02302V/TBW07009A
Thiết kế hiện đại: Sen tắm nóng lạnh TOTO TBS02302V/TBW07009A sở hữu kiểu dáng nhỏ gọn với bát sen tròn có đường kính 110mm, giúp nâng tầm thẩm mỹ và phù hợp với mọi diện tích phòng tắm.
Công nghệ massage 3 chế độ: Điểm nhấn của sen tắm TOTO TBS02302V/TBW07009A chính là các chế độ Comfort Wave, Intense Wave và Intense Wave+, mang đến dòng nước mạnh mẽ, nhịp nhàng cho trải nghiệm tắm sảng khoái.
Chống ăn mòn vượt trội: Nhờ lớp mạ Niken dày gấp 3 lần, sen tắm nóng lạnh TOTO TBS02302V/TBW07009A luôn duy trì được vẻ ngoài sáng bóng, chống rỉ sét và bong tróc bền bỉ theo thời gian.

Ưu điểm của sen tắm TOTO TBS02302V/TBW07009A
Chất liệu an toàn: Thân van của bộ sen tắm TOTO TBS02302V/TBW07009A được đúc bằng đồng nguyên chất, đảm bảo độ bền kết cấu cực cao và an toàn cho nguồn nước sinh hoạt.
Vận hành linh hoạt: Tay gạt đơn của sen tắm nóng lạnh TOTO TBS02302V/TBW07009A giúp người dùng dễ dàng kiểm soát nhiệt độ và lưu lượng nước chính xác ngay cả dưới áp lực nước cao lên đến 1.0 MPa.
Hãy đến ngay hệ thống Showroom Hải Linh để trải nghiệm thực tế và sở hữu sen tắm nóng lạnh TOTO TBS02302V/TBW07009A chính hãng với giá ưu đãi và chính sách bảo hành tốt nhất!