



Sen tắm nhiệt độ TOTO TBS02302V/TBW01008V là lựa chọn hoàn hảo cho không gian phòng tắm hiện đại nhờ thiết kế sang trọng và công nghệ tắm thư giãn. Sản phẩm mang đến trải nghiệm tắm thoải mái, ổn định nhiệt độ và tối ưu hiệu quả sử dụng nước.

Tìm hiểu sen tắm nhiệt độ TOTO TBS02302V/TBW01008V

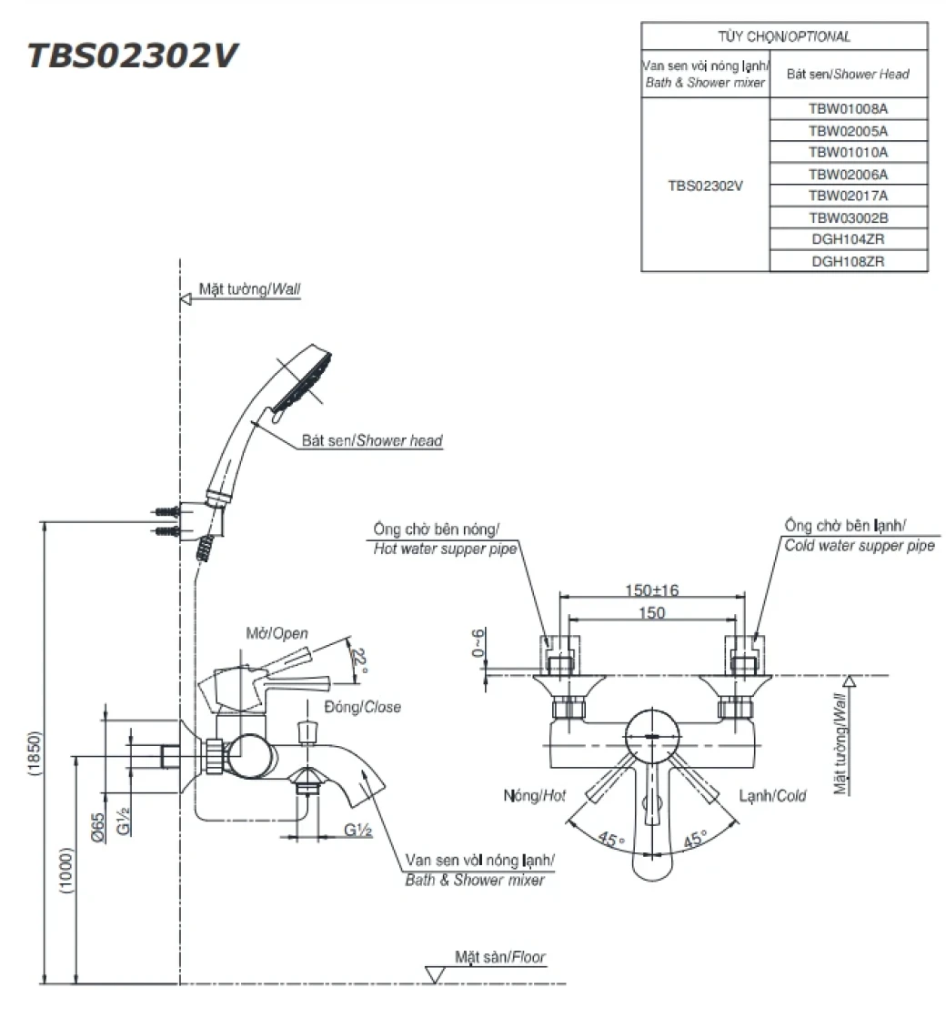
Bản vẽ kỹ thuật sen tắm nhiệt độ TOTO TBS02302V/TBW01008V
Thiết kế tinh tế, hiện đại: Sen tắm nhiệt độ TOTO TBS02302V/TBW01008V sở hữu kiểu dáng thanh lịch thuộc bộ sưu tập LN, phù hợp với nhiều phong cách phòng tắm cao cấp.
Chất liệu bền bỉ, chống ăn mòn tốt: Củ sen làm từ đồng mạ Niken-Chrome giúp sen tắm có độ bền cao, hạn chế gỉ sét trong môi trường ẩm ướt.

Ưu điểm của sen tắm TOTO TBS02302V/TBW01008V
Lớp mạ cao cấp: Lớp mạ Niken dày gấp 3 lần giúp sen tắm TOTO TBS02302V/TBW01008V luôn sáng bóng và tăng khả năng chống trầy xước, ăn mòn.
Trải nghiệm tắm thư giãn: Tay sen đường kính 110mm tích hợp công nghệ COMFORT WAVE giúp sen tắm nhiệt độ TOTO TBS02302V/TBW01008V tạo ra tia nước mạnh, hạt nước lớn và nhịp phun êm dịu.
Hoạt động ổn định với nhiều mức áp lực nước: TOTO TBS02302V/TBW01008V vận hành tốt trong dải áp lực 0.05 - 0.75 MPa, phù hợp với nhiều hệ thống cấp nước gia đình.

Lớp mạ Niken cao cấp, sáng bóng
Nếu bạn đang tìm kiếm sen tắm nhiệt độ TOTO TBS02302V/TBW01008V chính hãng, hãy tham khảo ngay tại Hải Linh để nhận tư vấn và ưu đãi tốt nhất.