

Sen cây nhiệt độ Duravit CE5280008C46 thuộc bộ sưu tập Circle của Duravit, gây ấn tượng với thiết kế tối giản và hiện đại. Lớp hoàn thiện màu đen mờ (Black Matt) mang đến vẻ ngoài sang trọng, dễ tạo điểm nhấn cho không gian phòng tắm. Đây là bộ sen tắm hoàn chỉnh, kết hợp hài hòa giữa yếu tố thẩm mỹ và công nghệ vận hành thông minh đến từ Đức, phù hợp với nhu cầu sử dụng tiện nghi hằng ngày.

Sen cây nhiệt độ Duravit CE5280008C46

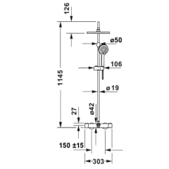
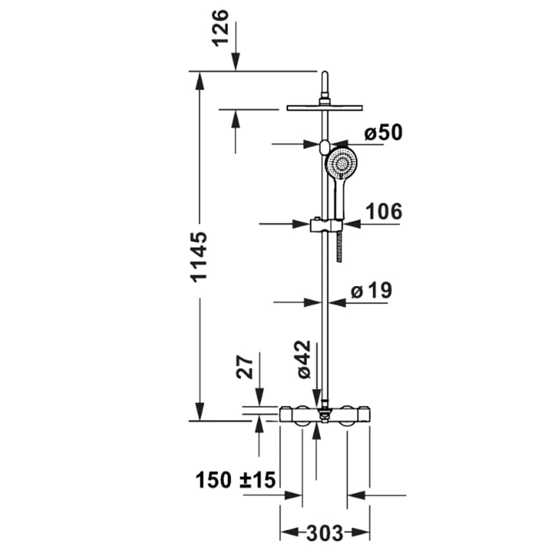
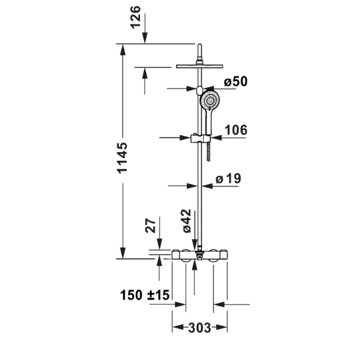
Bản vẽ kỹ thuật Sen cây nhiệt độ Duravit CE5280008C46
Thiết kế Circle (Hình tròn): Tất cả chi tiết từ bát sen trần, sen tay đến thân van đều đồng nhất theo dạng tròn mềm mại. Kiểu dáng này tạo cảm giác hài hòa và tinh tế cho không gian phòng tắm. Dễ dàng kết hợp với nhiều phong cách nội thất hiện đại.
Kiểm soát nhiệt độ thông minh: Bộ trộn nhiệt Duravit CE5280008C46 giúp duy trì nhiệt độ nước ổn định trong suốt quá trình sử dụng. Hệ thống tự động bù trừ khi áp suất nước thay đổi đột ngột. Nhờ đó mang lại trải nghiệm tắm an toàn và thoải mái hơn.
Chốt an toàn HeatLock: Tính năng khóa nhiệt giúp giới hạn mức nước nóng ở ngưỡng an toàn. Người dùng cần thao tác thêm nếu muốn tăng nhiệt độ cao hơn. Điều này giúp giảm nguy cơ bỏng, phù hợp với gia đình có trẻ nhỏ.
Tùy chỉnh linh hoạt: Bát sen trần Duravit CE5280008C46 có thể điều chỉnh góc nghiêng để phù hợp với vị trí đứng khi tắm. Giá đỡ sen tay dễ dàng thay đổi độ cao trên thanh trượt theo nhu cầu sử dụng. Nhờ đó mang lại sự linh hoạt và tiện lợi cho nhiều đối tượng người dùng.
Vệ sinh dễ dàng (EasyClean): Đầu phun silicone Duravit CE5280008C46 mềm giúp việc làm sạch cặn vôi trở nên đơn giản. Chỉ cần vuốt nhẹ là có thể loại bỏ bụi bẩn tích tụ. Giúp duy trì hiệu suất phun nước ổn định và giữ sen luôn sạch sẽ.
Với thiết kế gọn gàng cùng màu đen mờ nổi bật, sen cây nhiệt độ Duravit CE5280008C46 không chỉ đáp ứng tốt nhu cầu sử dụng mà còn giúp không gian phòng tắm trở nên hiện đại và ấn tượng hơn. Đây là lựa chọn phù hợp cho những ai yêu thích phong cách tối giản nhưng vẫn đảm bảo sự tiện nghi.