



Van sen tắm âm tường American Standard WF-T826W là dòng van điều chỉnh đơn dành cho nước lạnh, thuộc bộ sưu tập EasyFLO của American Standard. Sản phẩm nổi bật với thiết kế hiện đại, màu trắng trang nhã và cấu tạo lắp âm tường gọn gàng, phù hợp với các không gian phòng tắm theo phong cách tối giản.

Van sen tắm âm tường American Standard WF-T826W

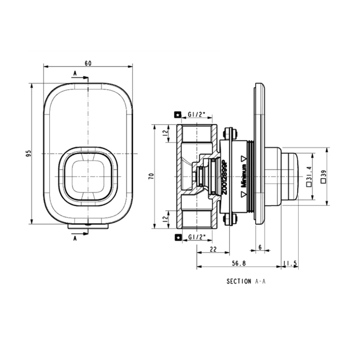
Bản vẽ kỹ thuật Van sen tắm âm tường American Standard WF-T826W
Công nghệ EasyPush™: Van sen tắm âm tường American Standard WF-T826W sử dụng nút nhấn thay cho tay gạt hoặc núm vặn truyền thống. Người dùng chỉ cần nhấn nhẹ là có thể bật hoặc tắt nước nhanh chóng. Thiết kế này giúp thao tác thuận tiện ngay cả khi tay đang ướt hoặc dính xà phòng.

Phần thân van American Standard WF-T826W được lắp đặt ẩn hoàn toàn
Thiết kế âm tường tối giản: Phần thân van American Standard WF-T826W được lắp đặt ẩn hoàn toàn bên trong tường, chỉ để lộ nút điều khiển và mặt che phía ngoài. Cách bố trí này giúp bề mặt phòng tắm gọn gàng và ít chi tiết rườm rà. Nhờ đó không gian trở nên thoáng và hiện đại hơn.
Chất liệu bền bỉ: Thân vòi Van sen tắm âm tường American Standard WF-T826W được làm từ đồng nguyên chất giúp tăng độ chắc chắn và độ bền khi sử dụng lâu dài. Bề mặt được mạ Crom-Nikel theo công nghệ Durashine giúp sản phẩm luôn sáng bóng. Lớp mạ này còn giúp chống gỉ sét và hạn chế bám bẩn trong môi trường ẩm.

Thân vòi sen tắm American Standard WF-T826W được làm từ đồng nguyên chất
Lưu lượng nước ổn định: American Standard WF-T826W cho lưu lượng nước khoảng 10.37 lít/phút tại áp lực 0.1MPa. Dòng nước được duy trì đều giúp quá trình tắm rửa thoải mái và dễ chịu. Điều này cũng giúp thiết bị hoạt động ổn định trong nhiều điều kiện áp lực nước khác nhau.
Với thiết kế âm tường tinh gọn cùng tông màu trắng thanh lịch, sen tắm American Standard WF-T826W là lựa chọn phù hợp cho những phòng tắm hiện đại và tối giản. Khách hàng có thể tham khảo và trải nghiệm sản phẩm chính hãng tại showroom Hải Linh để được tư vấn chi tiết.