



Vòi sen xả bồn nóng lạnh TOTO TBP03301AA sở hữu thiết kế hình hộp sang trọng cùng kiểu dáng đặt sàn hiện đại, giúp tạo điểm nhấn tinh tế cho không gian phòng tắm gia đình bạn. Hãy cùng Hải Linh khám phá những lợi ích vượt trội và công nghệ đỉnh cao được tích hợp trong mẫu vòi xả bồn cao cấp này ngay sau đây.

Vòi xả bồn nóng lạnh TOTO TBP03301AA

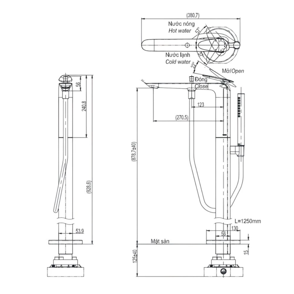
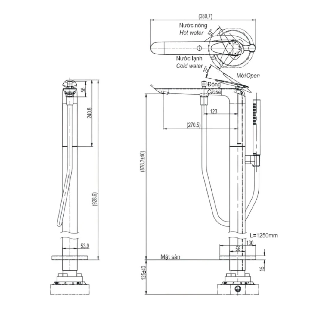
Bản vẽ kỹ thuật vòi sen xả bồn nóng lạnh TOTO TBP03301AA
Thiết kế hình hộp sang trọng: Vòi sen xả bồn nóng lạnh TOTO TBP03301AA gây ấn tượng mạnh với đường nét hình hộp vuông vắn, mang lại vẻ đẹp hiện đại và hài hòa khi kết hợp cùng dòng sản phẩm ZA.
Lớp mạ Nickel dày gấp 3 lần: Nhờ lớp mạ Niken chống ăn mòn siêu bền, vòi sen xả bồn nóng lạnh TOTO TBP03301AA luôn giữ được độ sáng bóng thẩm mỹ và thách thức mọi tác động từ môi trường ẩm ướt.

Ưu điểm của vòi sen xả bồn nóng lạnh TOTO TBP03301AA
Chất liệu đồng thau an toàn: Thân van được đúc từ đồng thau cao cấp, đảm bảo nguồn nước tinh khiết và an toàn cho sức khỏe người sử dụng.
Công nghệ van đĩa sứ tiên tiến: Việc sử dụng van đĩa sứ chống bám cặn giúp vòi sen xả bồn nóng lạnh TOTO TBP03301AA vận hành trơn tru, đồng thời khóa nước hoàn toàn để tránh lãng phí.
Chế độ nóng lạnh linh hoạt: Với thiết kế tay gạt đơn tiện lợi, vòi sen xả bồn nóng lạnh TOTO TBP03301AA cho phép người dùng điều chỉnh áp lực và nhiệt độ nước một cách chính xác, nhanh chóng.

Chất liệu đồng thau an toàn, bền bỉ
Độ bền và uy tín vượt trội: Được bảo hành chính hãng 2 năm, vòi sen xả bồn nóng lạnh TOTO TBP03301AA khẳng định chất lượng vượt trội của một sản phẩm thiết bị vệ sinh cao cấp.
Đừng bỏ lỡ cơ hội nâng cấp không gian thư giãn thượng lưu với vòi sen xả bồn nóng lạnh TOTO TBP03301AA chính hãng bằng cách liên hệ ngay với Hải Linh để được tư vấn và nhận báo giá tốt nhất.