
Chậu rửa treo tường Duravit 0724500009 thuộc bộ sưu tập Vero Air, gây ấn tượng với kiểu dáng chữ nhật gọn gàng và đường nét vuông vức rõ ràng. Bề mặt phẳng mịn cùng thiết kế treo tường giúp không gian trở nên thoáng và ngăn nắp hơn. Duravit 0724500009 phù hợp cho phòng tắm hiện đại có diện tích nhỏ cần tối ưu diện tích sử dụng.

Chậu rửa treo tường Duravit 0724500009

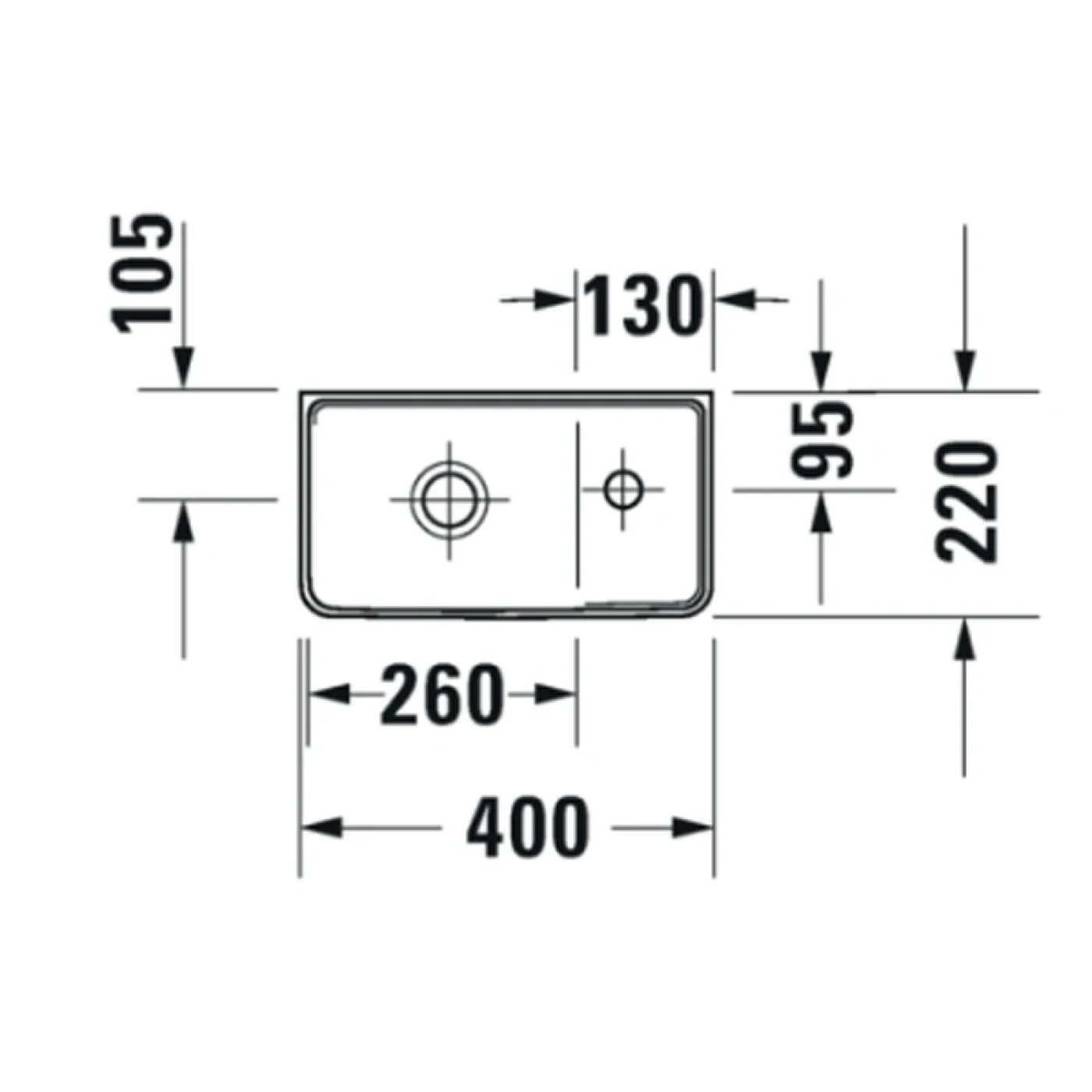
Bản vẽ kỹ thuật Chậu rửa treo tường Duravit 0724500009
Thiết kế hình học tối giản (Linear Design): Chậu rửa tay Duravit 0724500009 nổi bật với các góc vuông 90 độ và đường viền mỏng. Kiểu dáng thẳng, rõ nét, phù hợp không gian phòng tắm hiện đại. Thiết kế gọn gàng giúp tối ưu diện tích khi lắp treo tường.

Phòng mẫu Chậu rửa treo tường Duravit 0724500009
Chất liệu sứ vệ sinh cao cấp: Chậu rửa tay Duravit 0724500009 được nung ở nhiệt độ cao, tạo lớp men cứng và chắc. Bề mặt chống trầy xước, chịu được hóa chất tẩy rửa thông thường. Màu trắng giữ độ sáng ổn định theo thời gian sử dụng.
Mặt dưới tráng men (Underside Glazed): Toàn bộ mặt dưới được phủ men bóng đồng đều. Khi lắp treo tường độc lập, sản phẩm vẫn đảm bảo thẩm mỹ ở mọi góc nhìn. Lớp men giúp hạn chế bám bụi và dễ vệ sinh phần đáy chậu.
Lỗ vòi phía bên trái tiện dụng: Chậu rửa tay Duravit 0724500009 bố trí lỗ vòi bên trái, giúp lòng chậu rộng hơn. Thiết kế này tạo khoảng thao tác thoải mái dù kích thước nhỏ gọn. Phù hợp lắp đặt cho nhà vệ sinh diện tích hẹp hoặc khu vực phụ.

Chậu rửa treo tường Duravit 0724500009 chất lượng
Thiết kế không lỗ thoát tràn: Lòng chậu liền mạch, phẳng và dễ lau chùi hơn. Bề mặt không bị chia cắt, tăng tính thẩm mỹ tổng thể. Cần sử dụng đầu xả không nhấn để đảm bảo thoát nước phù hợp.
Với thiết kế tinh giản và kích thước hợp lý, chậu rửa tay treo tường Duravit 0724500009 đáp ứng tốt nhu cầu sử dụng trong không gian hạn chế. Mẫu chậu mang lại sự hài hòa giữa công năng và thẩm mỹ, dễ kết hợp cùng nhiều phong cách nội thất. Quý khách có thể tham khảo và trải nghiệm thực tế sản phẩm tại showroom Hải Linh để được tư vấn chi tiết.