



Chậu rửa dương vành Duravit 0358600079 nổi bật với thiết kế hình chữ nhật hiện đại, kết hợp cùng các góc bo tròn tinh tế, tạo điểm nhấn sang trọng và mềm mại cho mặt bàn đá phòng tắm. Được sản xuất từ chất liệu sứ vệ sinh cao cấp, tiêu chuẩn Châu Âu, sản phẩm không chỉ khẳng định đẳng cấp mà còn mang lại sự tiện nghi với kích thước rộng rãi và độ bền vượt trội.

Chi tiết chậu rửa dương vành Duravit 0358600079

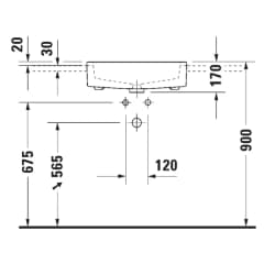
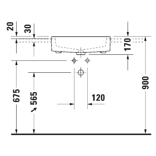
Bản vẽ kỹ thuật chậu rửa dương vành Duravit 0358600079

Ưu điểm nổi bật của chậu rửa dương vành Duravit 0358600079
Thiết kế hình khối cân đối và hiện đại: Chậu rửa dương vành Duravit 0358600079 gây ấn tượng mạnh mẽ với hình dáng chữ nhật được thiết kế tỉ mỉ, kết hợp cùng các góc bo tròn nhẹ nhàng, tạo nên vẻ đẹp khỏe khoắn nhưng vẫn rất mềm mại. Kiểu dáng dương vành giúp sản phẩm nổi bật trên mặt bàn đá, tạo điểm nhấn kiến trúc sang trọng và đầy tính thẩm mỹ cho không gian phòng tắm.

Thiết kế hình khối cân đối và hiện đại
Chất liệu sứ vệ sinh cao cấp từ Châu Âu: Được sản xuất từ nguồn sứ vệ sinh chất lượng hàng đầu của Duravit, chậu rửa dương vành Duravit 0358600079 đảm bảo độ bền vượt trội và khả năng chịu lực cực tốt trong quá trình sử dụng. Bề mặt sứ được xử lý tinh xảo giúp sản phẩm luôn sáng bóng, chống bám bẩn hiệu quả và giữ được vẻ đẹp nguyên bản theo thời gian.
Kích thước lý tưởng cho mọi không gian: Với thông số 600 x 440 mm, chậu rửa dương vành Duravit 0358600079 cung cấp lòng chậu rộng rãi, mang lại cảm giác thoải mái và tiện lợi cho người dùng mỗi ngày. Kích thước này được tính toán kỹ lưỡng để phù hợp với nhiều loại bàn đá khác nhau, từ phòng tắm gia đình đến các công trình khách sạn cao cấp.

Kích thước lý tưởng cho mọi không gian phòng tắm
Trang bị lỗ thoát tràn thông minh: Chậu rửa dương vành Duravit 0358600079 tích hợp lỗ thoát tràn (overflow) thiết kế tinh tế, giúp ngăn chặn tình trạng nước tràn ra ngoài nếu bạn vô tình quên tắt vòi. Tiện ích này không chỉ mang lại sự an tâm khi sử dụng mà còn giúp khu vực vệ sinh luôn được khô ráo, sạch sẽ và an toàn.
Hãy liên hệ ngay với Hải Linh để được trải nghiệm sản phẩm chậu rửa dương vành Duravit 0358600079 thực tế và sở hữu giải pháp phòng tắm đẳng cấp này với mức giá ưu đãi nhất!