

Chậu rửa mặt COTTO C0171 thuộc dòng Marlow 65 là mẫu lavabo thiết kế âm bàn hoàn toàn, giúp bề mặt bàn đá luôn gọn gàng và liền mạch. Kiểu lắp đặt này mang lại vẻ ngoài hiện đại, phù hợp với nhiều phong cách phòng tắm. Nhờ thiết kế tối giản, chậu rửa mặt COTTO C0171 giúp không gian sử dụng trông sạch sẽ và ngăn nắp hơn.

Tìm hiểu về chậu rửa đặt bàn Cotto C0171

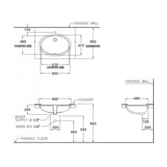
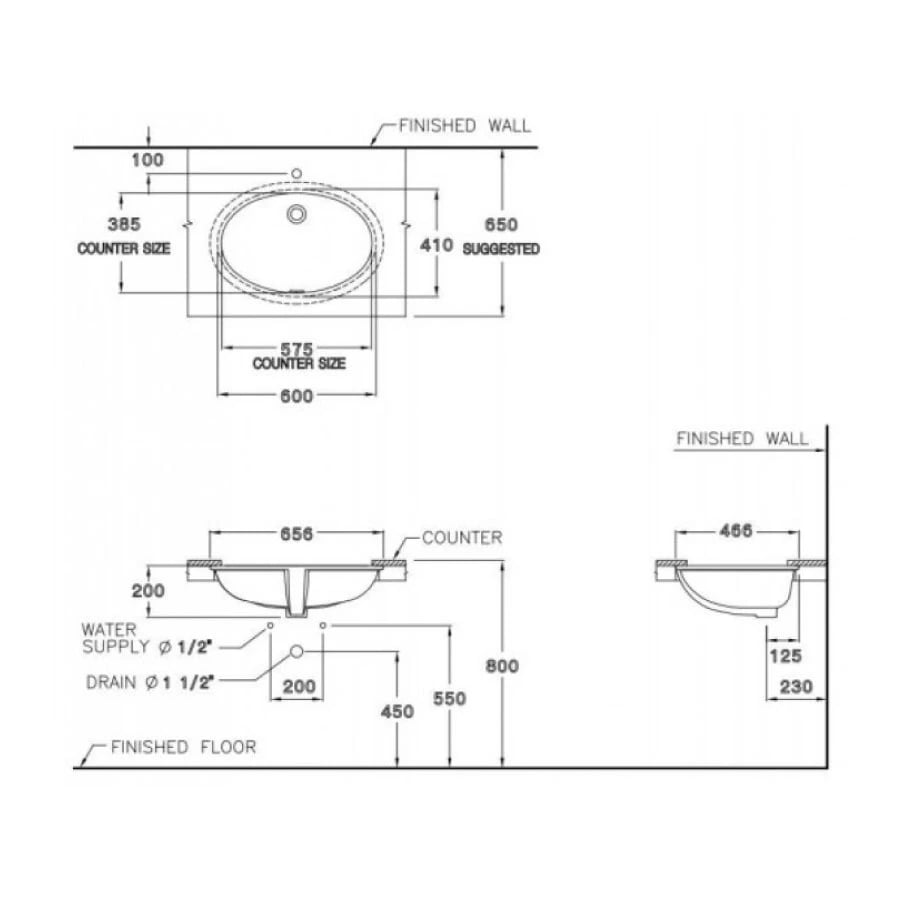
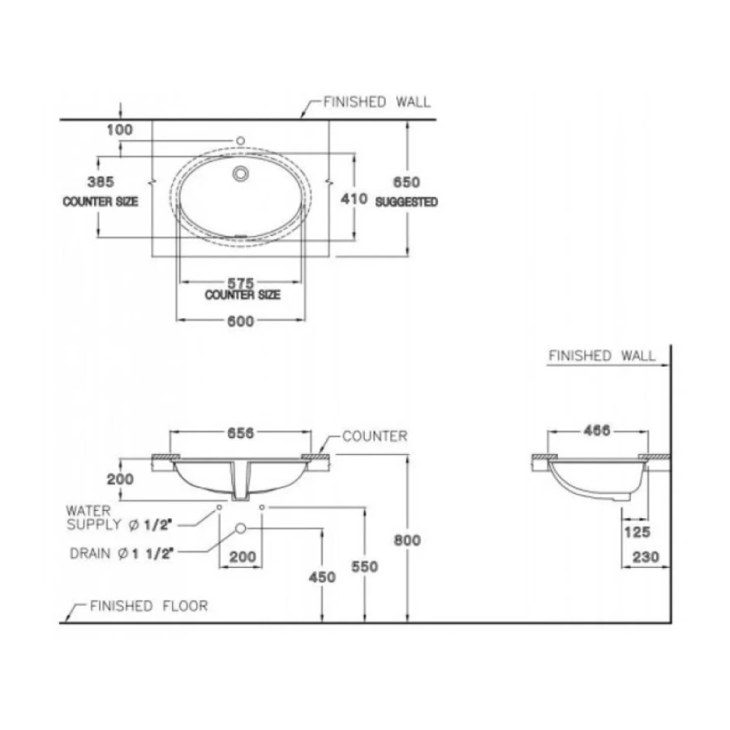
Bản vẽ kỹ thuật chậu rửa đặt bàn Cotto C0171
Thiết kế âm bàn hoàn toàn gọn gàng, hiện đại: Chậu rửa đặt bàn Cotto C0171 được thiết kế âm bàn hoàn toàn, toàn bộ thân chậu nằm dưới mặt đá. Kiểu lắp đặt này tạo bề mặt bàn đá liền mạch và gọn gàng hơn. Nhờ đó, chậu rửa đặt bàn Cotto C0171 giúp không gian phòng tắm trông sạch sẽ và dễ vệ sinh.

Chậu rửa đặt bàn Cotto C0171 được thiết kế âm bàn hoàn toàn
Công nghệ kháng khuẩn Ultra Clean+ an toàn khi sử dụng: Bề mặt chậu được xử lý bằng công nghệ kháng khuẩn Ultra Clean+. Công nghệ này giúp ức chế sự phát triển của vi khuẩn trên bề mặt sứ trong quá trình sử dụng. Nhờ vậy, chậu rửa Cotto C0171 hỗ trợ giữ khu vực lavabo luôn vệ sinh và an toàn.
Lòng chậu sâu và rộng, sử dụng thoải mái: Chậu có kích thước 656 x 466 x 200 mm với lòng chậu khá rộng. Không gian bên trong lớn giúp người dùng thao tác rửa tay hoặc rửa mặt dễ dàng. Thiết kế của chậu rửa đặt bàn Cotto C0171 cũng giúp hạn chế tình trạng nước bắn ra ngoài.
Lỗ xả tràn tích hợp tăng tính an toàn: Chậu được trang bị lỗ xả tràn giúp kiểm soát mực nước khi sử dụng. Khi nước dâng cao, lượng nước dư sẽ thoát qua lỗ xả thay vì tràn ra ngoài. Nhờ đó, chậu rửa đặt bàn Cotto C0171 giúp khu vực bàn đá luôn khô ráo và gọn gàng.
Với thiết kế âm bàn tinh gọn và tính thẩm mỹ cao, chậu rửa mặt COTTO C0171 là lựa chọn phù hợp cho các phòng tắm hiện đại. COTTO C0171 giúp tối ưu diện tích mặt bàn và thuận tiện trong việc vệ sinh hằng ngày. Bạn có thể tham khảo và mua chậu rửa mặt COTTO C0171 chính hãng tại showroom Hải Linh để được tư vấn chi tiết.