

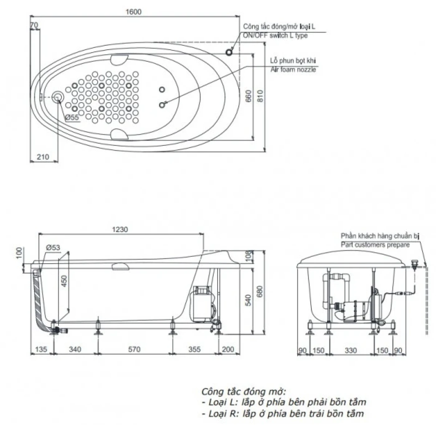
Kích thước: 810D x1600W x680H mm
Màu sắc: Trắng tuyết
Chất liệu: Đá cẩm thạch nhân tạo acrylic “Ngọc trai”
Lưu ý: Bao gồm bộ xả nhấn
Bồn tắm ngọc trai TOTO PPYB1610RHPTE là dòng bồn tắm sục khí cao cấp sở hữu lớp phủ ngọc trai lấp lánh như đồ trang sức và thiết kế hình oval đầy tính nghệ thuật. Với hệ thống 8 vòi sục khí mạnh mẽ, sản phẩm mang lại liệu pháp thư giãn tuyệt vời, biến không gian tắm gia đình thành một spa sang trọng.
Bồn tắm Ngọc Trai TOTO PPYB1610RHPTE

Bản vẽ kỹ thuật bồn tắm ngọc trai TOTO PPYB1610RHPTE
Bề mặt phủ ngọc trai lộng lẫy: Bồn tắm ngọc trai TOTO PPYB1610RHPTE gây ấn tượng mạnh với lớp phủ ngọc trai lấp lánh, mang lại vẻ đẹp sang trọng và đẳng cấp cho tổng thể không gian phòng tắm.
Hệ thống sục khí massage mạnh mẽ: Được trang bị 8 vòi sục khí hiện đại, TOTO PPYB1610RHPTE tạo ra các luồng khí massage nhẹ nhàng, giúp thư giãn cơ bắp và xua tan mệt mỏi hiệu quả.
Thiết kế hình Oval tinh tế: Bồn tắm ngọc trai TOTO PPYB1610RHPTE sở hữu những đường nét mềm mại và hình dáng oval độc đáo, tạo điểm nhấn nghệ thuật mới lạ cho các thiết kế phòng tắm hiện đại.
Chất liệu nhựa độ bền cao: Với cấu tạo từ nhựa cao cấp bền đẹp theo thời gian, bồn tắm ngọc trai TOTO PPYB1610RHPTE giúp người dùng yên tâm về tuổi thọ sản phẩm và khả năng giữ màu cực tốt.
Tính an toàn và tiện dụng cao: Sản phẩm tích hợp sẵn thanh tay vịn chắc chắn và bề mặt đáy chống trơn trượt, đảm bảo an toàn trong suốt quá trình sử dụng.
Thông số kỹ thuật tối ưu: Với kích thước 1600x810x630mm và dung tích 179L, bồn tắm ngọc trai TOTO PPYB1610RHPTE cung cấp không gian ngâm mình thoải mái với độ sâu phù hợp cho mọi đối tượng.
Đồng bộ phụ kiện cao cấp: Sản phẩm đã bao gồm bộ xả đồng bộ, giúp quá trình lắp đặt trở nên nhanh chóng, thuận tiện và đảm bảo tính thẩm mỹ cao.
Để nhận tư vấn chuyên sâu và sở hữu bồn tắm ngọc trai TOTO PPYB1610RHPTE chính hãng với mức giá tốt nhất, quý khách hãy liên hệ ngay với hệ thống Showroom Hải Linh.