

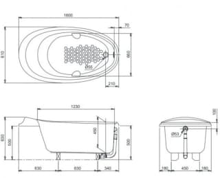
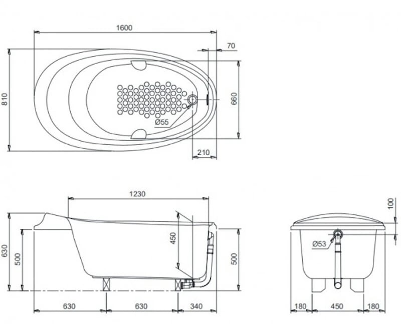
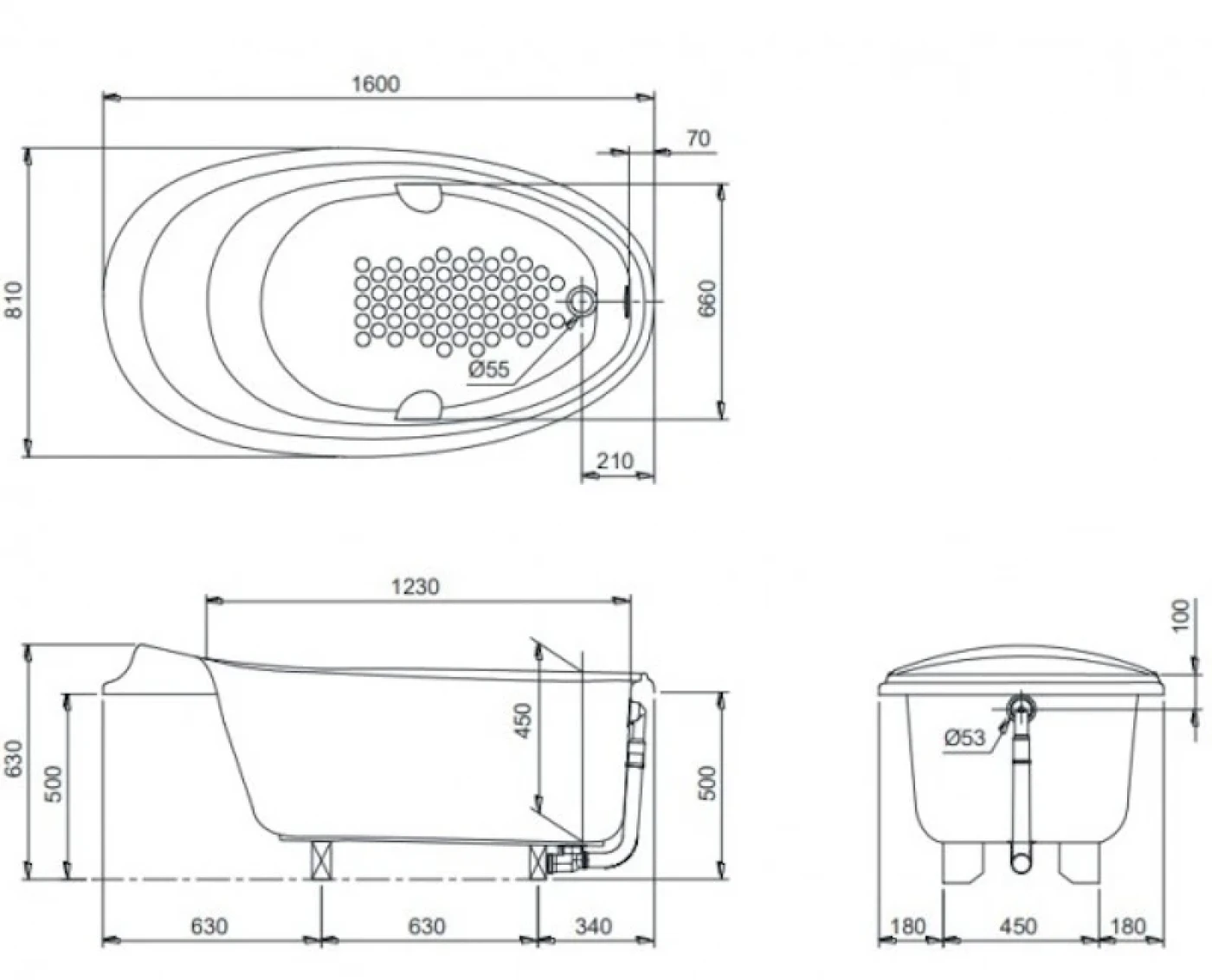
Kích thước: 810D x 1600W x 630H mm
Chất liệu: Ngọc trai
Bồn tắm ngọc trai TOTO PPY1610HPTE#P là dòng thiết bị vệ sinh cao cấp kết hợp hoàn hảo giữa chất liệu nhựa Acrylic lấp lánh và thiết kế công thái học sang trọng. Với kích thước tiêu chuẩn và tích hợp đầy đủ tay vịn, sản phẩm mang đến không gian thư giãn đẳng cấp và an toàn cho gia đình bạn.
Bồn tắm Ngọc Trai TOTO PPY1610HPTE#P
Bồn Tắm TOTO PPY1610HPTE#P Ngọc Trai là sản phẩm cao cấp thuộc thương hiệu Nhật Bản TOTO
Bản vẽ kỹ thuật bồn tắm ngọc trai TOTO PPY1610HPTE#P
Chất liệu Acrylic ngọc trai đẳng cấp: Bồn tắm ngọc trai TOTO PPY1610HPTE#P sở hữu bề mặt được làm từ nhựa Acrylic cao cấp phủ ánh ngọc trai lấp lánh, tạo vẻ đẹp lịch lãm và sang trọng cho không gian.
Khả năng cách nhiệt ưu việt: Nhờ lớp phủ dày phía sau, bồn tắm TOTO PPY1610HPTE#P giúp duy trì nhiệt độ nước ấm lâu hơn, cho phép bạn tận hưởng thời gian thư giãn thoải mái.
Thiết kế tựa đầu thư giãn: Điểm nhấn của bồn tắm nằm ở phần tựa đầu độc đáo, giúp nâng đỡ cơ thể và giảm căng thẳng hiệu quả trong suốt quá trình tắm.
Hệ thống tay vịn an toàn: Bồn tắm ngọc trai TOTO PPY1610HPTE#P được trang bị tay vịn chắc chắn ở hai bên, hỗ trợ người dùng lên xuống bồn một cách ổn định và dễ dàng.
Chống trơn trượt hoàn hảo: Bề mặt đáy của bồn tắm ngọc trai TOTO PPY1610HPTE#P được xử lý đặc biệt để chống trượt, đảm bảo an toàn tối đa cho cả người già và trẻ nhỏ.
Tiện nghi với bộ xả nhấn: Sản phẩm đi kèm bộ xả nhấn hiện đại, mang lại sự tiện lợi trong thao tác và tăng thêm tính thẩm mỹ cho tổng thể.
Độ bền vượt thời gian: Được sản xuất từ chất liệu nhựa chất lượng cao, bồn tắm ngọc trai TOTO PPY1610HPTE#P cam kết sự chắc chắn và bền bỉ trong suốt quá trình sử dụng lâu dài.
Để nhận ngay báo giá tốt nhất và sở hữu bồn tắm ngọc trai TOTO PPY1610HPTE#P chính hãng, quý khách hãy liên hệ với hệ thống Showroom Hải Linh ngay hôm nay.