





Hệ thống xả: Tornado
Lượng nước sử dụng: 4,5L/3L
Đường ống xả thô: 220 mm Hình dạng
bồn cầu : Hình chữ D
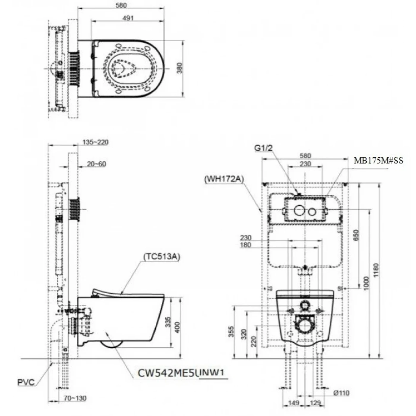
Kích thước: 580D x 380W x 335H mm
Trong xu hướng thiết kế phòng tắm hiện đại, các dòng bồn cầu treo tường ngày càng được ưa chuộng nhờ tính thẩm mỹ cao, tiết kiệm diện tích và tối ưu trải nghiệm sử dụng. Bồn cầu TOTO CW542ME5UNW1 / TC513A / WH172A / MB175M#SS là lựa chọn nổi bật đến từ thương hiệu thiết bị vệ sinh hàng đầu Nhật Bản, tích hợp công nghệ xả xoáy Tornado mạnh mẽ, vận hành êm ái cùng lớp men sứ CeFiONtect chống bám bẩn hiệu quả. Bồn cầu thông minh TOTO không chỉ mang lại khả năng làm sạch vượt trội mà còn góp phần nâng tầm không gian phòng tắm sang trọng và tiện nghi hơn mỗi ngày.
Tìm hiểu về bồn cầu thông minh TOTO CW542ME5UNW1 /TC513A /WH172A /MB175M#SS
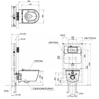
Bản vẽ kỹ thuật bồn cầu TOTO CW542ME5UNW1 /TC513A /WH172A /MB175M#SS
Nắp đóng êm TC513A vận hành nhẹ nhàng, hạn chế tiếng ồn: Nắp cầu TC513A được trang bị cơ chế đóng mở chậm, giảm va đập và gần như không phát ra tiếng động khi sử dụng. Nhờ đó, người dùng luôn cảm thấy dễ chịu, đặc biệt vào ban đêm hoặc trong không gian cần sự yên tĩnh.
Nắp đóng êm TC513A vận hành nhẹ nhàng
Thiết kế treo tường chữ D, thân kín tinh tế: Kiểu dáng chữ D hiện đại kết hợp cấu trúc thân kín giúp tổng thể gọn gàng, hạn chế bụi bẩn tích tụ ở các khe hở. Thiết kế treo tường còn tạo cảm giác thông thoáng, tối ưu diện tích và giúp việc vệ sinh sàn trở nên nhanh chóng hơn cho bồn cầu TOTO CW542ME5UNW1 /TC513A /WH172A /MB175M#SS.
Men sứ CeFiONtect chống bám bẩn hiệu quả: Bề mặt sứ được phủ lớp men CeFiONtect siêu mịn, ngăn chất thải và vi khuẩn bám dính, giữ lòng cầu luôn sạch sáng. Công nghệ này giúp giảm tần suất chà rửa và tiết kiệm đáng kể thời gian chăm sóc phòng tắm.
Men sứ CeFiONtect chống bám bẩn hiệu quả
Hệ thống xả xoáy Tornado mạnh mẽ, tiết kiệm nước: Công nghệ Tornado tạo dòng xoáy 360 độ cuốn trôi vết bẩn chỉ trong một lần xả, đảm bảo hiệu suất làm sạch tối đa. Hai mức nước 3L/4.5L vừa tiết kiệm vừa vận hành êm ái, phù hợp với xu hướng sống xanh hiện đại.
Xả xoáy Tornado TOTO mạnh mẽ
Két nước âm tường gọn gàng, nâng tầm thẩm mỹ: Két nước WH172A được lắp âm tường giúp che giấu hoàn toàn phần kỹ thuật phía sau, mang đến tổng thể tinh giản và sang trọng. Sự kết hợp này giúp bồn cầu TOTO CW542ME5UNW1 /TC513A /WH172A /MB175M#SS trở thành lựa chọn lý tưởng cho phòng tắm cao cấp, đồng thời tăng độ bền và tối ưu không gian sử dụng.
Két nước âm tường gọn gàng, nâng tầm thẩm mỹ
Giải pháp vệ sinh hiện đại, bền bỉ theo thời gian: Nhờ sự đồng bộ giữa thiết kế thông minh và công nghệ tiên tiến, bồn cầu TOTO CW542ME5UNW1 /TC513A /WH172A /MB175M#SS mang đến trải nghiệm tiện nghi, sạch sẽ và tiết kiệm chi phí lâu dài. Đây là dòng bồn cầu phù hợp cho gia đình mong muốn nâng cấp không gian sống chuẩn khách sạn.
Sở hữu thiết kế treo tường tinh gọn, công nghệ xả tiết kiệm nước và bề mặt sứ bền đẹp theo thời gian, TOTO CW542ME5UNW1 / TC513A / WH172A / MB175M#SS đáp ứng trọn vẹn nhu cầu về vệ sinh, thẩm mỹ và độ bền cho mọi công trình dân dụng lẫn cao cấp. Đây là giải pháp lý tưởng dành cho gia đình đang tìm kiếm một mẫu bồn cầu chất lượng cao, vận hành ổn định và dễ dàng bảo dưỡng. Để trải nghiệm thực tế bồn cầu và nhận tư vấn chi tiết, quý khách có thể ghé showroom Hải Linh, địa chỉ uy tín chuyên cung cấp thiết bị vệ sinh TOTO chính hãng với mức giá cạnh tranh cùng dịch vụ chuyên nghiệp.