




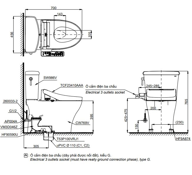
Kích thước: L700 x W456 x H765 (mm)
Màu sắc: Trắng
Hệ thống xả: Torrnado
Lượng nước xả gạt 2 chế độ: 4.5L/3L
Thiết kế: Thân dài, thân kín
Bồn cầu điện tử TOTO CS986GW16 là mẫu bồn cầu hai khối tích hợp nắp rửa WASHLET dòng C2, mang đến giải pháp chăm sóc vệ sinh cá nhân hiện đại cho gia đình. Thiết kế tinh gọn, thẩm mỹ cao kết hợp các công nghệ thông minh giúp tối ưu sự sạch sẽ, tiện lợi và nâng tầm trải nghiệm sử dụng mỗi ngày.
Bồn cầu điện tử TOTO CS986GW16 tích hợp nắp rửa WASHLET dòng C2
Lưu ý: Bao gồm bích nối sàn, van dừng
Bản vẽ kỹ thuật bồn cầu điện tử TOTO CS986GW16
Men sứ CEFIONTECT hạn chế bám bẩn tối đa: Bồn cầu điện tử TOTO CS986GW16 Bề mặt lòng cầu được phủ lớp men công nghệ cao có độ nhẵn vượt trội, tạo lớp bảo vệ giúp giảm ma sát và ngăn chất thải, vi khuẩn, nấm mốc bám dính. Nhờ khả năng thấm nước tốt, nước xả dễ dàng cuốn trôi cặn bẩn, duy trì độ sạch sáng lâu dài và giảm phụ thuộc vào hóa chất tẩy rửa.
Công nghệ xả xoáy Tornado Flush: Dòng nước được dẫn hướng hợp lý tạo chuyển động xoáy 360° liên tục bên trong lòng cầu, quét sạch toàn diện kể cả các vị trí khó tiếp cận. Hệ thống hoạt động hiệu quả với lưu lượng nước thấp, giảm tiếng ồn khi xả và tối ưu tiêu thụ nước nhờ hai mức 4.5L/3L.
Thiết kế vành kín không gờ khuất: Thiết kế loại bỏ khe hở và góc chết, hạn chế nơi tích tụ vi khuẩn và cặn bẩn. Nhờ đó việc lau chùi trở nên nhanh chóng, tiết kiệm thời gian bảo dưỡng và giúp bồn cầu TOTO CS986GW16 luôn duy trì trạng thái sạch sẽ, hợp vệ sinh.
Thiết kế vành kín độc đáo của bồn cầu TOTO CS986GW16
Thiết kế hiện đại và sang trọng: Tông trắng thanh lịch giúp sản phẩm dễ dàng hài hòa với nhiều phong cách nội thất phòng tắm. Thân nắp bồn cầu TOTO CS986GW16 sử dụng nhựa resin chất lượng cao, có khả năng chịu lực, chống ố vàng và giữ độ mới bền bỉ theo thời gian.
Nắp rửa Washlet C2 TOTO 1 sở hữu màu trắng trang nhã
Vòi rửa massage đa chức năng: Tích hợp nhiều chế độ phun kết hợp tia nước ấm nhẹ nhàng, hỗ trợ làm sạch hiệu quả mà vẫn tạo cảm giác thư giãn. Đi kèm chức năng hong khô và làm ấm bệ ngồi, mang đến sự tiện nghi trọn vẹn trong mọi điều kiện thời tiết.
EWATER+ khử khuẩn tự động: Ứng dụng công nghệ điện phân từ nước máy để tạo dung dịch có khả năng loại bỏ vi khuẩn và mảng bám cứng đầu. Quá trình làm sạch diễn ra tự động, giúp duy trì môi trường vệ sinh an toàn và giảm phụ thuộc vào hóa chất tẩy rửa.
PREMIST tạo lớp nước đệm, hạn chế bám dính: Trước khi sử dụng, bề mặt lòng bồn cầu được phủ lớp sương mỏng giúp tăng độ ẩm, từ đó giảm khả năng lưu lại chất thải. Nhờ vậy quá trình xả diễn ra hiệu quả hơn và công việc vệ sinh cũng nhẹ nhàng hơn.
Công nghệ khử mùi DEODORIZER: Hệ thống xử lý mùi vận hành liên tục để lọc và loại bỏ mùi khó chịu trong và sau khi sử dụng. Nhờ đó khu vực phòng tắm luôn thông thoáng, mang lại cảm giác thoải mái và đảm bảo vệ sinh cho cả gia đình.
Bảng điều khiển điện tử của nắp rửa điện tử Washlet C2 TOTO
Sở hữu nhiều tiện ích tự động cùng độ bền chuẩn Nhật Bản, bồn cầu điện tử TOTO CS986GW16 là lựa chọn lý tưởng cho không gian phòng tắm tiện nghi và đẳng cấp. Ghé ngay showroom Hải Linh để được tư vấn chi tiết và mua bồn cầu điện tử TOTO CS986GW16 chính hãng với mức giá ưu đãi hấp dẫn.