
Bồn cầu dùng van xả COTTO C1451 gây ấn tượng với thiết kế thân dài thoát ngang hiện đại, mang đến giải pháp tối ưu cho không gian phòng tắm có yêu cầu lắp đặt đặc thù. Sản phẩm sở hữu hệ thống xả Siphon Jet mạnh mẽ cùng nắp đóng êm, đảm bảo sự thoải mái và tiện nghi cho mọi gia đình.

Bồn cầu dùng van xả COTTO C1451

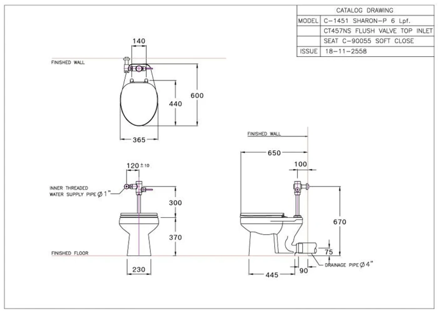
Bản vẽ kỹ thuật Bồn cầu COTTO C1451
Thiết kế thông minh, tiết kiệm diện tích: Với kích thước nhỏ gọn 380 x 650 x 370 mm cùng thiết kế thân dài thoát ngang, bồn cầu COTTO C1451 là giải pháp lắp đặt hoàn hảo cho không gian phòng tắm có yêu cầu kỹ thuật đặc thù hoặc diện tích khiêm tốn.
Hệ thống xả Siphon Jet mạnh mẽ: Sản phẩm ứng dụng công nghệ xả Siphon Jet ưu việt với lưu lượng chỉ 6L mỗi lần xả. Ưu điểm này giúp bồn cầu dùng van xả COTTO C1451 cuốn trôi mọi vết bẩn một cách nhanh chóng, sạch sẽ và cực kỳ tiết kiệm nước.
Trải nghiệm êm ái với nắp đóng hiện đại: Điểm cộng lớn của mẫu bồn cầu dùng van xả COTTO C1451 chính là bộ nắp đóng êm ái, hạn chế tối đa tiếng ồn khi sử dụng, mang lại không gian yên tĩnh và cảm giác thư giãn cho người dùng.
Chất liệu Ceramic cao cấp bền bỉ: Được sản xuất từ chất liệu sứ Ceramic màu trắng sáng bóng, bồn cầu dùng van xả COTTO C1451 không chỉ mang lại vẻ đẹp tinh tế, sang trọng cho phòng vệ sinh mà còn đảm bảo độ bền cao. Sản phẩm đặc biệt dễ dàng vệ sinh trong suốt quá trình sử dụng.
Tiêu chuẩn chất lượng Thái Lan: Là sản phẩm thuộc dòng Sharon danh tiếng, bồn cầu dùng van xả COTTO C1451 được sản xuất theo quy trình nghiêm ngặt từ Thái Lan. Cam kết mang đến chất lượng đạt chuẩn quốc tế cùng chế độ bảo hành chính hãng trong 2 năm.
Để sở hữu bồn cầu dùng van xả COTTO C1451 chính hãng với chất lượng chuẩn Thái Lan, hãy liên hệ ngay với Showroom Hải Linh để được tư vấn chi tiết và nhận báo giá ưu đãi nhất!