

Bồn cầu 2 khối COTTO C12247 là dòng thiết bị vệ sinh cao cấp đến từ Thái Lan, gây ấn tượng với thiết kế thân dài thanh lịch cùng lớp men sứ trắng bền đẹp theo thời gian. Sự kết hợp giữa công nghệ xả tiết kiệm nước và nắp đóng êm ái mang đến trải nghiệm sử dụng tiện nghi, phù hợp cho không gian phòng tắm hiện đại.


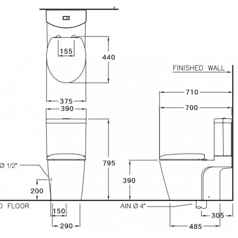
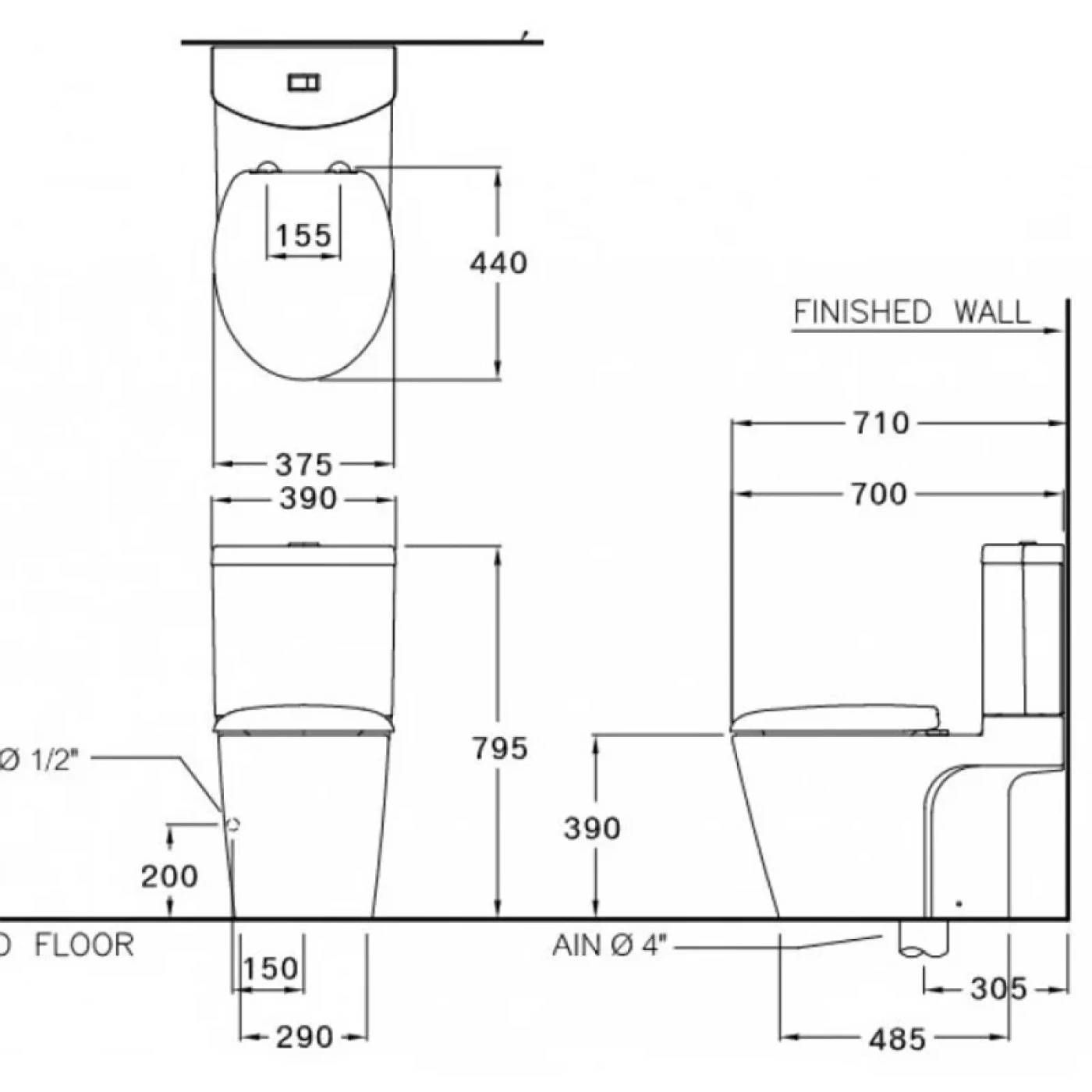
Bản vẽ kỹ thuật Bồn cầu COTTO C12247
Thiết kế thân dài hiện đại: Bồn cầu 2 khối COTTO C12247 sở hữu kiểu dáng thanh thoát, đường nét tinh tế, dễ dàng bố trí trong nhiều không gian phòng tắm từ căn hộ đến nhà phố, mang lại cảm giác sử dụng thoải mái và thẩm mỹ đồng bộ.
Xả nhấn tiết kiệm nước: Trang bị 2 mức xả 3L/4.5L giúp bồn cầu 2 khối COTTO C12247 tối ưu lượng nước theo từng nhu cầu, giảm chi phí sinh hoạt và phù hợp xu hướng sử dụng thiết bị vệ sinh bền vững.
Nắp PP đóng êm bền bỉ: Chất liệu nhựa PP cao cấp kết hợp cơ chế đóng chậm giúp hạn chế va đập, loại bỏ tiếng ồn, tăng tuổi thọ nắp và tạo trải nghiệm nhẹ nhàng khi sử dụng hằng ngày.
Công nghệ xả mạnh, làm sạch nhanh: Hệ thống xả thẳng kết hợp xoáy cuốn tạo lực đẩy nước mạnh mẽ, cuốn trôi chất bẩn hiệu quả, giữ lòng bồn cầu 2 khối COTTO C12247 luôn sạch sẽ và giảm tần suất vệ sinh.
Men sứ cao cấp chống ố vàng: Bề mặt men có độ bền cao, hạn chế bám bẩn và duy trì độ sáng bóng lâu dài, giúp việc lau chùi đơn giản hơn và đảm bảo tính thẩm mỹ cho không gian phòng tắm.
Với hệ thống xả nhấn 2 chế độ mạnh mẽ, kích thước cân đối cùng tâm xả S-trap 305mm dễ lắp đặt, bồn cầu 2 khối COTTO C12247 (Unique II) đáp ứng tốt cả yếu tố thẩm mỹ lẫn công năng sử dụng lâu dài. Bồn cầu hiện đang được trưng bày tại showroom Hải Linh để bạn trực tiếp tham khảo và lựa chọn.