
Bồn cầu 1 khối Duravit 2120012001 là sản phẩm của thương hiệu thiết bị vệ sinh Duravit (Đức), nổi bật với thiết kế nguyên khối theo phong cách châu Âu hiện đại. Thân bồn kín liền mạch giúp tổng thể gọn gàng, sang trọng và thuận tiện khi lau chùi. Hệ thống xả hoạt động mạnh và ổn định, đáp ứng tốt nhu cầu sử dụng hằng ngày.

Tìm hiểu về bồn cầu 1 khối Duravit 2120012001

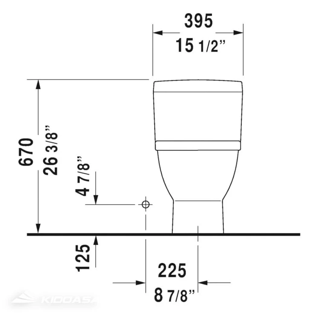
Bản vẽ kỹ thuật bồn cầu 1 khối Duravit 2120012001
Thiết kế nguyên khối hiện đại: Kiểu dáng liền mạch, tinh gọn giúp bồn cầu 1 khối Duravit 2120012001 mang lại vẻ sang trọng và hài hòa cho không gian phòng tắm.
Thân kín dễ vệ sinh: Cấu trúc hạn chế khe hở bám bụi, giúp việc lau chùi nhanh chóng và thuận tiện hơn trong quá trình sử dụng.
Hệ thống xả Siphon Jet mạnh mẽ: Tạo lực hút ổn định, cuốn trôi hiệu quả cả chất thải nặng và nhẹ nhưng vẫn vận hành êm ái. Nhờ đó, bồn cầu 1 khối Duravit 2120012001 duy trì khả năng làm sạch vượt trội.

Hệ thống xả Siphon Jet mạnh mẽ
Men sứ kháng khuẩn, chống bám bẩn: Bề mặt sứ mịn giúp hạn chế vi khuẩn tích tụ, giữ lòng cầu luôn sạch sáng và dễ vệ sinh.
Tiết kiệm nước hiệu quả: Giảm khoảng 20% lượng nước so với tiêu chuẩn thông thường nhưng vẫn đảm bảo hiệu suất xả ổn định của bồn cầu 1 khối Duravit 2120012001.
Nắp đóng êm tiện lợi: Cơ chế giảm chấn giúp đóng mở nhẹ nhàng, hạn chế tiếng ồn và tăng độ bền khi sử dụng lâu dài.
Với kiểu dáng tinh tế và khả năng vận hành hiệu quả, bồn cầu 1 khối Duravit 2120012001 phù hợp cho nhiều không gian phòng tắm từ gia đình đến công trình cao cấp. Quý khách có thể tham khảo bồn cầu chính hãng tại showroom Hải Linh để được tư vấn cụ thể và hỗ trợ tốt nhất.